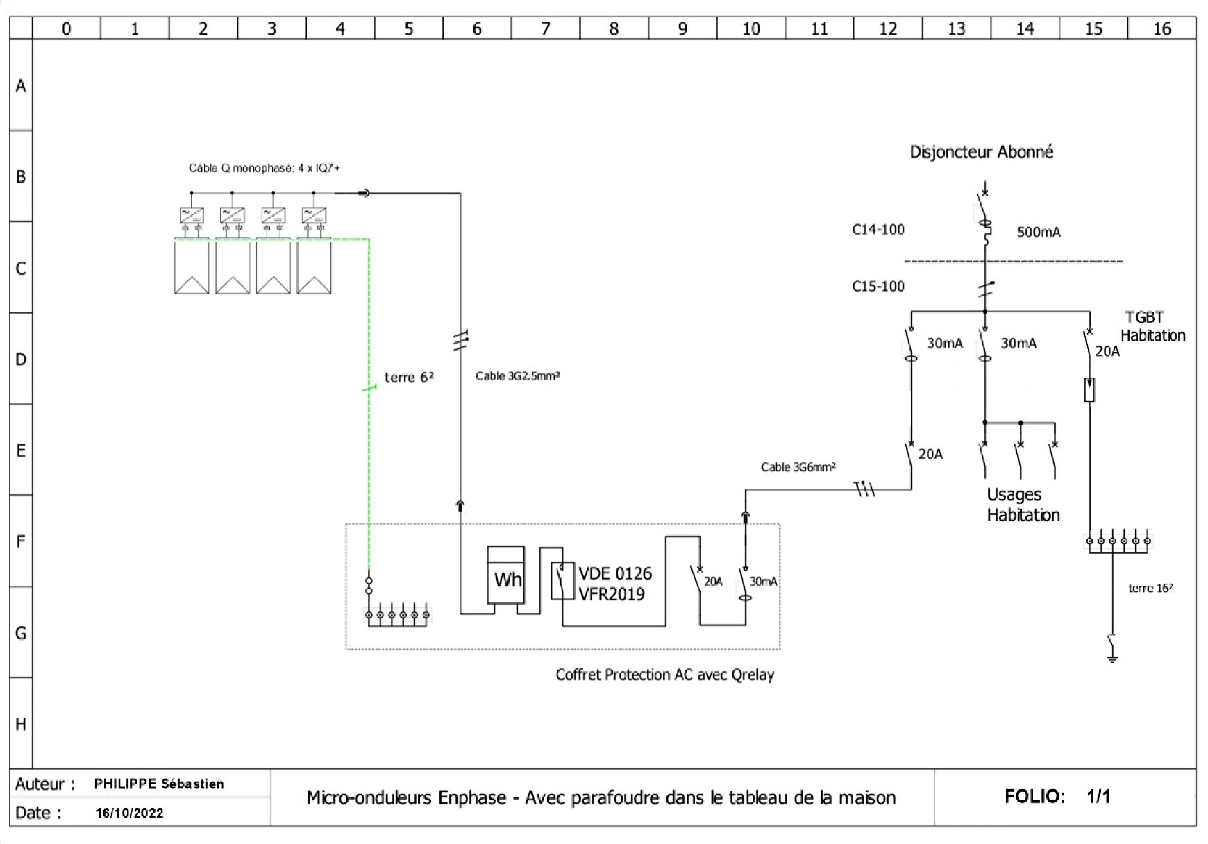
protection de découplage photovoltaïque
La protection de découplage photovoltaïque est un élément essentiel dans les installations solaires, garantissant la…
La protection de découplage photovoltaïque est un élément essentiel dans les installations solaires, garantissant la…
La protection de découplage photovoltaïque est un sujet essentiel pour toute installation d'énergie solaire. Cette…
La mise en place d'une installation photovoltaïque nécessite un respect strict des réglementations et exigences…
Protection de découplage Enedis : enjeux et solutions Le domaine de l'énergie solaire connaît une…
La protection de découplage est essentielle pour assurer la sécurité et la fiabilité des systèmes…