branchement inverseur groupe électrogène pdf
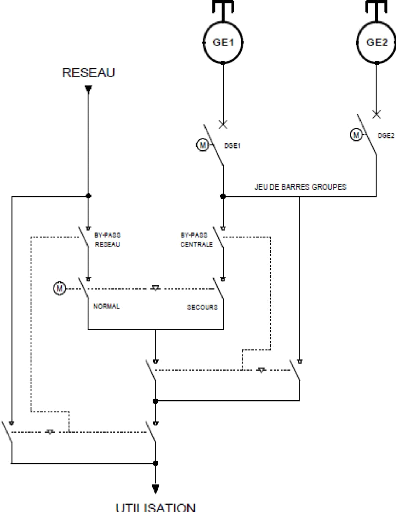
Dans le domaine de l'électricité et de la gestion énergétique, le branchement d'un inverseur de…
Dans le domaine de l'électricité et de la gestion énergétique, le branchement d'un inverseur de…
Le marché des groupes électrogènes d’occasion est en pleine expansion, particulièrement grâce à des plateformes…
Dans un monde de plus en plus connecté où l'énergie est au cœur de toutes…
Dans un monde en pleine transformation énergétique, la gestion de l'électricité et les solutions de…
Dans un monde où l'énergie électrique devient une préoccupation majeure, la compréhension des fondamentaux de…
La recherche d’une source d’énergie fiable et durable est devenue un enjeu majeur dans de…
Dans le monde moderne où l'alimentation électrique est cruciale pour presque toutes les activités, l'utilisation…
Dans un monde où l'alimentation électrique peut faire défaut à tout moment, l'acquisition d'un groupe…
L'hiver approche à grands pas, et avec lui, une inquiétude grandissante chez les professionnels et…
À l'ère où notre dépendance à l'énergie électrique est plus présente que jamais, le choix…