branchement de 4 batteries en parallèle

découvrez tout sur les batteries en parallèle : avantages, fonctionnement et conseils d'installation pour maximiser l'autonomie de vos appareils.

Le branchement de batteries en parallèle est une méthode très utilisée dans le domaine de l’énergie solaire. Elle permet non seulement d’augmenter la capacité de stockage d’énergie, mais également d’optimiser l’utilisation des ressources disponibles. Dans ce contexte, il est essentiel de comprendre comment charger 4 batteries en parallèle correctement, afin d’éviter des problèmes tels que le déséquilibre entre les batteries ou des risques d’endommagement.

Le système solaire, de par sa nature, requiert un équipement adéquat pour maximiser son efficacité. Le choix de batteries est crucial. Un assemblage de batteries bien planifié peut prolonger leur durée de vie et améliorer la performance globale de l’installation. À travers cet article, nous allons explorer les meilleures pratiques pour brancher ces batteries en parallèle, les avantages de cette méthode et des conseils pratiques pour garantir un fonctionnement optimal.

Les fondamentaux du branchement en parallèle

Qu’est-ce que le branchement en parallèle ?

Le branchement en parallèle implique de connecter plusieurs batteries de manière à ce que leurs bornes positives soient réunies ensemble et leurs bornes négatives aussi. Cette disposition permet à l’utilisateur d’augmenter la capacité totale du système tout en maintenant la même tension qu’une seule batterie. Par exemple, si l’on utilise quatre batteries de 12 volts, le système continuera à fonctionner à 12 volts, mais avec une capacité de stockage qui sera quatre fois plus importante.

Avantages du branchement de plusieurs batteries

La technique de brancher 2 batteries en parallèle est déjà bien connue, mais qu’en est-il des systèmes plus complexes ? L’ajout de batteries supplémentaires permet d’améliorer la flexibilité du système. Cela signifie également que si une batterie venait à tomber en panne, le système pourrait fonctionner avec les batteries restantes.

Un autre grand avantage est la possibilité de maintenir un courant stable, surtout en cas de pics de demande d’énergie. De ce fait, le dimensionnement des équipements devient également plus simple, permettant d’éviter des surcoûts. Par exemple, le taux de décharge d’une batterie sera arrondi, augmentant ainsi sa durabilité.

découvrez tout ce qu'il faut savoir sur les batteries en parallèle : avantages, fonctionnement, applications et conseils d'installation. optimisez votre système énergétique avec nos astuces !

Comprendre le processus de chargement

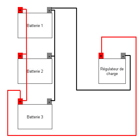
Charger 4 batteries en parallèle

Le chargement des batteries en parallèle nécessite des précautions particulières. Chaque batterie doit être strictement identique en termes de capacité, de type et d’âge. Si les batteries ne sont pas identiques, cela peut entraîner des déséquilibres qui affecteront le fonctionnement global du système et leur longévité. Une batterie plus faible peut devenir la faiblesse de tout le groupe.

Pour optimiser le processus de chargement, il est conseillé d’installer un chargeur adapté qui peut gérer le courant nécessaire à l’ensemble du système. Il est également recommandé d’utiliser un régulateur de charge pour garantir que chaque batterie est remplie correctement. Ce régulateur permet de contrôler le flux d’énergie et d’éviter la surcharge, un facteur crucial qui pourrait réduire la rendement et la durée de vie des batteries.

Surveillance et maintenance des batteries

La maintenance des batteries est essentielle pour prolonger leur durée de vie. Cela inclut la vérification régulière des niveaux d’électrolyte pour les batteries au plomb-acide et le nettoyage des bornes pour assurer une bonne conductivité. De plus, il est important de vérifier les connexions pour s’assurer qu’il n’y a pas de corrosion, ce qui pourrait réduire l’efficacité du système.

Les utilisateurs devraient aussi envisager d’installer un système de surveillance qui peut fournir des mises à jour en temps réel sur l’état des batteries. Ce type de système permet de détecter rapidement une panne ou un déséquilibre dans les niveaux de charge entre les différentes unités.

Les erreurs à éviter lors du branchement de batteries

Éviter le mélange de batteries différentes

Il est crucial d’éviter de mélanger différents types de batteries lors du branchement en parallèle. Par exemple, utiliser une batterie gelée avec une batterie plomb-acide pourrait créer des tensions inégales et réduire considérablement l’efficacité du système. Branchement de 2 batteries en parallèle doit être effectué avec des unités identiques pour garantir la meilleure performance possible.

Des différences dans la capacité de charge ou l’âge des batteries peuvent entraîner une charge inégale et des déséquilibres, ce qui pourrait gravement affecter leur durabilité et leur performance.

découvrez tout sur les batteries en parallèle : avantages, fonctionnement et meilleures pratiques pour optimiser votre système d'alimentation. apprenez comment maximiser l'autonomie et la puissance de vos appareils grâce à cette configuration efficace.

Ne pas vérifier les connexions

Un autre point crucial réside dans l’importance de vérifier les connexions avant et pendant le chargement. Des connexions lâches peuvent engendrer des pertes d’énergie significatives et, dans des cas extrêmes, causer des incendies. Par conséquent, un entretien régulier des connexions et des bornes est nécessaire.

Un manque de vigilance à ce sujet peut conduire à des défaillances catastrophiques. Des connexions corrodées peuvent également jouer un rôle majeur dans des performances insuffisantes des batteries. Une inspection régulière est donc nécessaire pour prévenir ces problèmes.

Optimisation du système de batteries en parallèle

Équilibrage des charges

Un bon système de batteries en parallèle requiert un équilibrage des charges. Cela signifie que les batteries doivent être constamment surveillées pour s’assurer qu’elles sont chargées de manière égale. Dans un système où une batterie est constamment surchargée, cela peut réduire sa durée de vie et endommager éventuellement l’ensemble du groupe.

Une solution consiste à intégrer des dispositifs comme des égalisateurs de tension, qui permettent de réguler le niveau de charge entre les différentes batteries. Ces dispositifs sont programmables et aident à prolonger la durée de vie des batteries tout en optimisant le système global.

découvrez les avantages des batteries en parallèle : augmentation de la capacité, prolongation de la durée de vie et amélioration de la performance. apprenez comment les connecter correctement pour optimiser vos appareils.

Choisir le bon chargeur

La sélection d’un bon chargeur est également cruciale. Un chargeur conçu pour fonctionner avec des systèmes de batteries en parallèle doit être capable de gérer le courant total requis par toutes les batteries. Choisir un chargeur inadapté peut entraîner une charge inégale ou même endommager les batteries.

Les chargeurs intelligents peuvent s’avérer particulièrement avantageux, car ils ajustent leur état de charge en fonction des besoins des batteries, leur permettant ainsi de se charger plus rapidement et efficacement.

Conclusion sur le branchement de batteries

Laisser un commentaire

Vous avez peut-être manqué

Panneau Photovoltaique Solaire Pro 4.9 (98%) 27210 votes

Recevez votre devis gratuit pour installer des panneaux photovoltaïque

X