branchement horloge chauffe eau sans contacteur
Dans un monde où la gestion de l’énergie devient cruciale, il est essentiel de trouver des solutions optimales pour réduire les coûts et améliorer notre utilisation de l’électricité. Avec l’augmentation constante des tarifs d’électricité, beaucoup d’entre nous cherchent des moyens d’optimiser la consommation de leurs appareils domestiques. Parmi ces appareils, le chauffe-eau occupe une place prépondérante. Bien que de nombreux foyers soient équipés de contacteurs jour/nuit, il existe des alternatives, comme l’horloge modulaire, qui permettent une gestion plus flexible. Cet article va explorer le fonctionnement des contacteurs jour/nuit, leur utilisation, ainsi que la mise en œuvre d’une horloge modulaire pour gérer un chauffe-eau sans contacteur.
Qu’est-ce qu’un contacteur jour/nuit pour chauffe-eau?
Le contacteur jour/nuit, aussi connu sous le nom de contacteur heures pleines/heures creuses, est un dispositif essentiel pour optimiser l’utilisation d’un chauffe-eau électrique. Ce boîtier sert de lien entre le fournisseur d’électricité et l’appareil. Il permet de contrôler l’alimentation du chauffe-eau, en le faisant fonctionner aux heures où l’électricité est moins chère, généralement la nuit.
Voici quelques caractéristiques importantes de cet équipement :
- Il n’est destiné qu’aux chauffe-eaux électriques à accumulation, excluant les modèles à gaz ou instantanés.
- Il contribue à une gestion optimisée de la consommation d’énergie.
- Il est simple d’installation, même pour ceux qui ne sont pas des bricoleurs avertis.
Pour résumer, ce contacteur permet d’allumer et d’éteindre le chauffe-eau à des moments stratégiques, permettant ainsi de réaliser des économies significatives sur la facture d’électricité.

Structure d’un contacteur jour/nuit
Pour bien comprendre son fonctionnement, il est essentiel de connaître les composants principaux d’un contacteur jour/nuit. Sa structure repose sur quatre éléments clés :
- La commande : elle actionne l’allumage ou l’extinction du contacteur selon les données reçues.
- Le contacteur : il régule le passage du courant électrique en fonction des ordres de la commande.
- La puissance : c’est l’énergie provenant du réseau électrique, capable d’alimenter le chauffe-eau.
- Le récepteur : c’est l’entrée d’électricité pour le chauffe-eau.
La mission principale du contacteur est de transmettre les instructions de fonctionnement reçues du fournisseur d’électricité, entraînant ainsi un démarrage ou un arrêt de l’appareil en fonction de la période tarifaire.
| Composant | Rôle |
|---|---|
| Commande | Actionne le contacteur |
| Contacteur | Régule le courant |
| Puissance | Alimente le chauffe-eau |
| Récepteur | Connexion au chauffe-eau |
Pourquoi installer un contacteur jour/nuit pour son chauffe-eau?
Il est essentiel de se poser la question des avantages que présente l’installation d’un contacteur jour/nuit. C’est un choix qui se justifie par plusieurs facteurs :
- Confort sonore : Les chauffe-eau émettent un bruit à l’allumage, particulièrement perceptible lorsque l’appareil est localisé à proximité de la zone de vie. En utilisant un contacteur, vous pouvez planifier son fonctionnement durant les heures où le bruit ne sera pas dérangeant, comme la nuit.
- Économies sur la facture d’électricité : En utilisant l’énergie durant les heures creuses, vous réalisez d’importantes économies. Avec le bon abonnement, l’électricité est à un tarif réduit, favorisant ainsi un meilleur budget pour votre foyer.
- Gestion optimisée : Grâce à des réglages adéquats, vous pouvez éviter d’attendre la disponibilité de l’eau chaude dans des situations urgentes. Un bon réglage sur position “Auto” vous garantit une eau chaude à tout moment.
Ces raisons démontrent que l’ajout d’un contacteur jour/nuit transforme les habitudes énergétiques, offrant confort et économies.

Aspects pratiques et coût d’un contacteur jour/nuit
L’installation d’un contacteur peut avoir un coût, et il est important d’en avoir conscience avant de se lancer. En moyenne, les tarifs pratiqués par les artisans pour l’installation varient entre 30€ et 60€ de l’heure, selon la complexité de l’installation et le professionnel choisi. Le groupe Atlantic ou des marques comme De Dietrich et Vaillant offrent également des conseils sur l’optimisation de l’installation.
Pour étayer ce point, il est pertinent d’établir un tableau récapitulatif des coûts est un bon moyen de se faire une idée précise :
| Type de service | Coût moyen (€) |
|---|---|
| Installation d’un contacteur jour/nuit | Entre 120€ et 300€ |
| Coût d’un artisan chauffagiste | 30€ à 60€ par heure |
| Coût d’un abonnement heures pleines/heures creuses | Variable selon le fournisseur |
Comment brancher un chauffe-eau électrique sans contacteur jour/nuit?
Si l’idée d’installer un contacteur jour/nuit ne vous séduit pas, sachez qu’il est tout à fait possible de structurer le branchement d’un chauffe-eau électrique sans cet équipement. Cette option se révèle particulièrement utile pour ceux qui ne bénéficient pas d’un tarif différencié selon les heures de la journée.
Une question courante est : dans quels cas est-il préférable de ne pas installer un contacteur? Un exemple typique est lorsque l’on choisit un abonnement à prix fixe doux, où un contacteur jour/nuit n’apporte aucune plus-value.
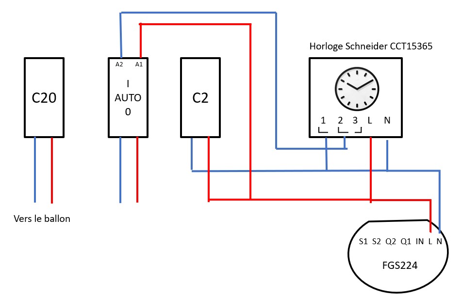
Pour gérer son chauffe-eau sans contacteur, l’alternative la plus quote du jour est de se tourner vers une horloge modulaire. Cet appareil permet d’envoyer un signal préprogrammé au chauffe-eau directement depuis le tableau électrique, évitant ainsi le tissage d’un câblage complexe jusqu’à la borne EDF.
Avantages de l’horloge modulaire
Les avantages de l’horloge modulaire sont clairement supérieurs dans plusieurs cas :
- Installation simple sans gros travaux
- Programmes flexibles pour le fonctionnement selon vos saisons
- Possibilité de simuler des heures creuses tout en restant en sécurité
Étant donné que l’installation d’un câblage traditionel pour un contacteur peut se révéler laborieuse, les utilisateurs préfèrent souvent cette méthode alternative. Dans le cadre d’une rénovation ou d’un nouveau projet, les marques comme Legrand et Schneider Electric offrent des produits de qualité qui facilitent cette transition.
Choisir la bonne solution entre contacteur et horloge modulaire
Face aux différentes options de gestion de votre chauffe-eau, il est crucial de peser le pour et le contre de chaque méthode. La décision finale dépendra de plusieurs critères, comme le type d’abonnement électrique, les préférences personnelles, et le budget.
Pour guider ce choix, voici un tableau comparatif avec les principales caractéristiques :
| Critère | Contacteur jour/nuit | Horloge modulaire |
|---|---|---|
| Coût d’installation | Élevé (120€-300€) | Relativement bas (moins de 100€) |
| Complexité d’installation | Modérée (intervalle de câbles vers EDF) | Faible (peu ou pas de câblage) |
| Économie d’énergie | Importante dans un abonnement adéquat | Simule des heures creuses mais moins optimal |
| Confort utilisateur | Automatisé par le fournisseur | Contrôlable par l’utilisateur |
Chaque solution a ses avantages et inconvénients. Bien réfléchir à votre situation personnelle et à vos besoins énergétiques est primordial pour faire le meilleur choix.

Marques et innovations sur le marché
Le marché de l’énergie est en constante évolution avec de nouvelles solutions pour s’adapter aux besoins des consommateurs. Des marques renommées comme Somfy, Atlantic et Thermor, par exemple, développent des technologies innovantes. Les appareils de ces marques se distinguent par leur efficacité énergétique et leur facilité d’utilisation, rendant leur installation et leur gestion beaucoup plus accessibles.
Des innovations récentes, telles que les dispositifs connectés et intelligents, permettent d’interconnecter votre chauffe-eau avec d’autres appareils de votre maison, optimisant ainsi encore davantage votre consommation énergétique.
Les erreurs fréquentes à éviter
Lors de l’installation ou du choix entre un contacteur et une horloge modulaire, certaines erreurs sont souvent constatées. En connaître les erreurs peut vous éviter des ennuis par la suite :
- Ne pas vérifier la compatibilité entre votre chauffe-eau et le contacteur/horloge choisie.
- Oublier le paramétrage correct de l’horloge pour les heures de fonctionnement.
- Négliger le tarif d’abonnement pour les heures creuses.
- Solliciter un artisan non qualifié pour les travaux électriques.
Ces erreurs peuvent avoir des conséquences notables sur la performance de votre équipement et sur votre facture d’électricité. Soyez donc attentif au choix et à l’installation.
Considérations finales sur le choix de gestion du chauffe-eau
Dans le cadre de la gestion de votre chauffe-eau, l’importance de la réflexion s’étend bien au-delà des simples économies. L’impact sur le mode de vie, le confort et la flexibilité sont des facteurs tout aussi essentiels. Qui n’aimerait pas rentrer d’une longue journée et trouver de l’eau chaude à disposition, sans avoir à se soucier des tarifs d’électricité ?
En 2025, alors que les défis énergétiques se concentrent sur une utilisation efficace des ressources, opter pour une gestion judicieuse de votre chauffe-eau est plus pertinent que jamais. Que vous choisissiez un contacteur jour/nuit ou une horloge modulaire, le plus important est de définir vos besoins et de choisir la solution qui s’adapte le mieux à votre mode de vie.
Pour continuer à explorer ce sujet, n’hésitez pas à consulter des experts en énergie ou à vous renseigner sur les avancées technologiques des grandes marques comme Schneider Electric et Vaillant, qui restent à l’avant-garde de l’innovation dans le secteur.


Laisser un commentaire