branchement pompe a eau 12v

découvrez comment réaliser le branchement d'une pompe 12v efficacement. suivez nos conseils et étapes simples pour garantir une installation sûre et fonctionnelle. idéal pour vos projets de bricolage ou d'irrigation.

Le branchement et l’installation d’une pompe à eau 12V sont des opérations essentielles pour assurer le bon fonctionnement de plusieurs systèmes, allant des installations domestiques aux dispositifs marins. Cet article explore les différentes facettes du branchement pompe à eau 12V, y compris le schéma de branchement, les accessoires nécessaires, et les meilleures pratiques pour l’installation. Que vous soyez un amateur ou un professionnel, ce guide vous aidera à maîtriser les éléments clés pour une mise en place efficace et sécurisée de votre pompe.

Pour commencer, il est important de bien choisir votre pompe à eau 12V, ce qui inclut de prendre en compte des modèles fiables disponibles sur des plateformes telles qu’Amazon. De plus, vous apprendrez les étapes nécessaires pour un branchement réussi et le fonctionnement d’une pompe à eau. Des marques réputées comme Johnson et Shurflo seront également mentionnées, vous fournissant des références solides. L’ajout d’accessoires comme des filtres et régulateurs de pression peut optimiser la performance de votre système.

Les bases du branchement d’une pompe à eau 12V

Le branchement pompe à eau 12V commence par la compréhension des composants de base. Une pompe à eau fonctionne en permettant le déplacement de l’eau d’un point à un autre à l’aide d’un moteur alimenté par une source de 12 volts. Ce type de pompe est souvent utilisé dans les caravanes, les bateaux et pour des systèmes d’irrigation.

découvrez comment réaliser le branchement d'une pompe 12v en toute simplicité. suivez notre guide étape par étape pour assurer une installation efficace et sécurisée de votre système de pompage.

Identification des composants nécessaires

Avant de procéder à l’installation pompe à eau 12V, il est crucial d’identifier les composants requis. Voici une liste des éléments que vous pourriez avoir besoin :

  • Pompe à eau 12V (ex. : modèles de Johnson ou Shurflo)
  • Fil électrique de calibre approprié
  • Connecteurs ou bornes de connexion
  • Interrupteur de contrôle (facultatif)
  • Accessoires comme des joints d’étanchéité et des filtres

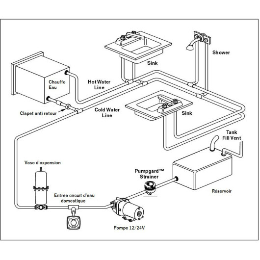
Schéma de branchement pour pompe à eau

Le schéma de branchement pompe à eau est fondamental. En général, les pompes 12V auront deux bornes : une pour l’alimentation positive et une pour la masse. Il est essentiel de suivre les instructions spécifiques fournies avec chaque pompe. En général, l’alimentation positive se branche à une source d’énergie de 12V, tandis que la borne négative se connecte à la masse. Pour une illustration plus détaillée, vous pouvez consulter des ressources comme ce guide sur le branchement d’autres appareils.

Fonctionnement de la pompe à eau 12V

Le fonctionnement pompe à eau 12V repose sur le principe d’aspiration et de refoulement. Lorsqu’elle est alimentée, le moteur entraîne la roue de la pompe, ce qui génère une dépression permettant d’aspirer l’eau. Cette dernière est ensuite expulsée par la conduite de sortie. Ce type de pompe est populaire parmi les utilisateurs de bateaux, de camping-car et d’autres domaines nécessitant un approvisionnement en eau autonome. Pour les utilisateurs de bateaux, par exemple, une pompe à eau 12V pour bateau spécifique est souvent recommandée pour sa résistance à la corrosion.

découvrez notre guide complet sur le branchement d'une pompe 12v. apprenez les étapes essentielles pour une installation réussie, des conseils pratiques et des solutions aux problèmes courants pour optimiser le fonctionnement de votre pompe.

Guide complet pour l’installation d’une pompe à eau 12V

Installer une pompe à eau 12V nécessite une approche méthodique. En suivant les étapes décrites ci-dessous, vous pourrez garantir une installation efficace et sécurisée :

Étape 1 : Préparer le site d’installation

Commencez par choisir un emplacement adapté pour la pompe. Il doit être suffisamment accessible pour l’entretien tout en étant proche de la source d’eau. Déterminez également la manière dont l’eau sera acheminée vers et depuis la pompe. Cela inclut la préparation des tuyaux et des connexions.

Étape 2 : Raccorder les tuyaux

La prochaine étape consiste à raccorder les tuyaux. Assurez-vous que les tuyaux sont de qualité suffisante pour résister à la pression de l’eau. Utilisez des raccords appropriés et appliquez du ruban téflon sur les filets pour éviter les fuites.

Étape 3 : Connecter le système électrique

Le branchement pompe à eau électrique doit être fait avec précaution. Coupez d’abord l’alimentation électrique. Ensuite, raccordez les fils de la pompe aux bornes de la source d’alimentation de 12V. Utilisez des connecteurs pour assurer des connexions solides et éviter les courts-circuits. Une vérification minutieuse à ce stade peut prévenir de nombreux problèmes futures.

Étape 4 : Tester le système

Une fois tout installé, il est temps de tester votre système. Rétablissez l’alimentation électrique et vérifiez si la pompe fonctionne roulement stable. Observez attentivement s’il y a des fuites ou des sons inhabituels, ce qui pourrait indiquer un problème. Pour plus d’exemples d’installation, la consultation de forums spécialisés, comme ce forum sur le branchement de batteries, peut s’avérer très utile.

Les astuces pour un fonctionnement optimal de votre pompe à eau 12V

Pour garantir que votre pompe à eau 12V fonctionne au mieux, un entretien régulier et quelques ajustements sont nécessaires. Voici plusieurs conseils pratiques :

Utiliser des filtres efficaces

L’installation de filtres en amont de la pompe peut considérablement améliorer sa longévité. Cela réduit le risque d’obstruction par des débris. Les filtres doivent être vérifiés et nettoyés régulièrement pour assurer un débit d’eau optimal et un bon fonctionnement.

Réguler la pression

Il est bénéfique d’installer un régulateur de pression si votre pompe est exposée à des variations de pression. Cela protège non seulement la pompe, mais aussi la plomberie associée. Pour une installation spécifique, il est recommandé de vérifier des modèles sur des plateformes comme Amazon pour trouver le régulateur adapté.

Conserver l’étanchéité des connexions

Les connexions doivent rester bien étanches. Vérifiez régulièrement les joints et remplacez-les si nécessaire. Une fuite peut entraîner une perte d’efficacité et des dommages à long terme. L’utilisation de joints d’étanchéité de haute qualité sera essentielle pour garantir la durabilité.

Surveiller la consommation d’énergie

Les pompes peuvent consommer une quantité significative d’énergie. Un suivi de la consommation permettra d’optimiser l’utilisation, en particulier si vous utilisez une source d’énergie renouvelable. Cela peut impliquer des variations dans le fonctionnement ou des ajustements selon les conditions d’utilisation. D’ailleurs, pour des conseils sur l’utilisation efficace des énergies renouvelables, consulter des articles pertinents augmentera vos connaissances.

découvrez nos conseils pratiques pour le branchement d'une pompe 12v. suivez nos étapes détaillées et astuces pour assurer une installation sécurisée et efficace de votre système de pompe électrique.

Les marques populaires de pompes à eau 12V

La sélection d’une pompe à eau 12V efficace dépend également de la marque. Plusieurs entreprises se démarquent par la qualité et la fiabilité de leurs produits.

Marque Modèle Applications
Johnson Bilge Pump Bateaux
Shurflo Fresh Water Pump Caravanes
Attwood Water Pump Camping
SEAFLO 12V Submersible Pump Pêche

Opter pour des marques reconnues garantira des performances optimales. Chacune de ces marques a ses propres caractéristiques et solutions adaptées à des besoins variés, que ce soit pour un usage domestique, sur l’eau ou pour l’agriculture.

Conclusion des marques

Il est difficile de choisir une seule marque, car cela dépendra de votre utilisation spécifique. Les marques mentionnées offrent toutes des produits de qualité dans le domaine des pompes à eau 12V. En finalité, une étude approfondie de vos besoins, couplée à des retours d’expérience d’autres utilisateurs, vous guidera vers le meilleur choix.

Laisser un commentaire

Vous avez peut-être manqué

Panneau Photovoltaique Solaire Pro 4.9 (98%) 24754 votes

Recevez votre devis gratuit pour installer des panneaux photovoltaïque

X