cablage photovoltaique
Cablage Photovoltaïque
Le câblage photovoltaïque est un sujet essentiel pour quiconque souhaite installer un système d’énergie solaire efficace et fiable. Non seulement le bon câblage garantit une performance optimale du système, mais il joue également un rôle crucial dans la sécurité de l’installation. Ce guide complet discuter des aspects clés du câblage photovoltaïque, y compris les différentes techniques d’installation, les composants nécessaires, et les meilleures pratiques à suivre. Au fil de cet article, nous découvrirons comment un câblage approprié peut maximiser la production d’électricité solaire tout en réduisant les risques d’incendie ou de défaillance des équipements.
Dans un environnement où la transition énergétique est au cœur des préoccupations, comprendre le câblage photovoltaïque devient impératif. Les particuliers et les entreprises investissent de plus en plus dans les énergies renouvelables, et le solaire se présente comme l’une des options les plus accessibles. Dans ce contexte, le câblage ne doit pas être considéré comme une simple formalité, mais comme une étape critique qui influencera l’efficacité et la longévité du système. Passons maintenant aux détails techniques qui entourent le câblage des installations photovoltaïques.
Câblage Photovoltaïque : Comprendre les Bases
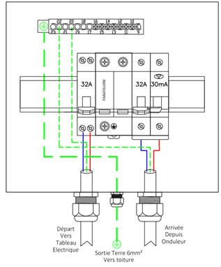
Le câblage photovoltaïque se réfère à la manière dont les panneaux solaires, les onduleurs, et les autres composants du système sont interconnectés pour former une installation fonctionnelle. La configuration du câblage peut varier selon plusieurs facteurs, notamment le type d’installation (résidentielle ou commerciale) et le design du réseau électrique. Pour une installation efficace, il est crucial de respecter les normes en vigueur et de suivre des schémas de câblage reconnaissables qui assurent non seulement la bonne circulation de l’électricité, mais aussi la sécurité.
Un premier aspect à considérer est le type de câblage utilisé. En général, deux types de câbles sont utilisés dans une installation photovoltaïque : les câbles de courant continu (CC) et les câbles de courant alternatif (CA). Les câbles CC transportent le courant généré par les panneaux solaires vers l’onduleur, tandis que les câbles CA transportent le courant converti vers le réseau électrique ou vers l’utilisateur final. Les schémas de câblage peuvent aider à visualiser comment ces composants interagissent entre eux.
Chaque installation nécessite également des connexions appropriées. Les connecteurs MC4 sont souvent utilisés pour relier les panneaux solaires entre eux et au reste du système. Ils assurent une connexion sécurisée tout en permettant une déconnexion facile si nécessaire. Lors de l’installation, il est important d’éviter tout raccourcissement des câbles ou toute connection lâche qui pourrait entraîner des pertes d’énergie ou des risques d’incendie.
Les Différents Types de Branchement
Les schémas de branchement photovoltaïque jouent un rôle clé dans la définition de la performance et de la sécurité d’une installation. Il existe principalement trois types de raccordement : l’injection de la totalité de la production, l’injection du surplus, et l’autoconsommation totale.
1. Injection de la totalité : Dans ce type de raccordement, toute l’énergie produite par les panneaux est envoyée sur le réseau électrique. Cela permet aux utilisateurs de bénéficier de l’intégralité de leur production d’énergie, mais peut entraîner des coûts supplémentaires si les tarifs de rachat ne sont pas favorables.
2. Injection du surplus : Ici, seule l’énergie non consommée par le propriétaire est injectée dans le réseau. Cela signifie que l’utilisateur tire d’abord parti de l’énergie produite pour ses propres besoins avant de revendre le reste. Ce modèle est souvent plus avantageux économiquement puisque cela permet une réduction de la facture d’électricité.
3. Autoconsommation totale : Dans ce modèle, l’utilisateur consomme toute l’énergie produite sans l’injecter dans le réseau, ce qui permet d’éviter les frais d’injection. Néanmoins, cela nécessite une conception adéquate du système pour garantir que l’énergie est utilisée au moment de sa production.
Normes et Régulations en Câblage Photovoltaïque
Les installations photovoltaïques doivent répondre à des normes strictes pour assurer la sécurité et la fiabilité du système. En France, le norme NFC 15-100 régit les installations électriques, y compris les systèmes solaires. Elle définit les exigences minimales pour le câblage, les protections, et les dispositifs de sécurité, garantissant ainsi le bon fonctionnement des installations. Il est primordial de se référer à ce type de normes pour éviter des installations défectueuses ou dangereuses.
En plus des normes nationales, les installations doivent être conformes aux régulations établies par les gestionnaires de réseau tels qu’Enedis. Ils fournissent des directives précises concernant les caractéristiques des branchements et la compatibilité des équipements. Suivre ces directives permet non seulement d’assurer la conformité, mais aussi de bénéficier d’aides financières comme les subventions pour l’installation de panneaux solaires.
Des réparations et des tâches de maintenance régulières doivent également être planifiées pour les installations existantes. Cela réduit le risque de problèmes à long terme. Les entreprises spécialisées recommandent des inspections annuelles pour vérifier le bon état des câbles, des connecteurs, et des panneaux eux-mêmes.
Maintenance et Inspection
Comme tout équipement électrique, les systèmes photovoltaïques nécessitent une maintenance adéquate pour fonctionner de manière optimale. La maintenance préventive est essentielle pour prolonger la durée de vie de l’installation et maximiser le rendement. Cela inclut l’inspection régulière des câbles et connexions, ainsi que le nettoyage des panneaux pour éviter une accumulation de saleté qui pourrait réduire leur efficacité.
Il est recommandé de surveiller la performance du système par l’intermédiaire de logiciels de gestion d’énergie ou d’applications fournies par les fabricants. Ces outils permettent de visualiser la production d’énergie et d’identifier rapidement tout dysfonctionnement potentiel. Les propriétaires peuvent également bénéficier d’alertes si des anomalies sont détectées, rendant la maintenance réactive plutôt que réactive.
Enfin, bien que certaines tâches puissent être effectuées par des amateurs, il est souvent préférable de faire appel à des professionnels pour des réparations ou des remplacements d’éléments techniques, assurant ainsi le respect des normes de sécurité lors de la manipulation des câbles électriques et des composants du système.
Récapitulatif des Coûts et Budgets
Investir dans un système photovoltaïque implique de prendre en compte divers coûts, y compris ceux liés au câblage. Le coût initial des câbles, connecteurs et autres accessoires peut varier considérablement en fonction de la qualité des matériaux et de la complexité du système. En général, on peut s’attendre à un budget couvrant non seulement le matériel mais aussi la main-d’œuvre nécessaire pour l’installation, qui constitue une part significative des dépenses.
Il est conseillé de comparer les offres de différentes entreprises spécialisées en énergie solaire pour obtenir une estimation précise des coûts. Beaucoup d’entre elles proposent des devis gratuits qui incluent les détails des matériaux, de l’installation, et des potentielles aides financières. En intégrant ces coûts dans le budget total de l’installation, les propriétaires sont mieux préparés à faire un choix éclairé sans surprises financières.
Enfin, il est crucial de considérer le retour sur investissement potentiel. Les économies réalisées sur les factures d’électricité, couplées à d’éventuelles subventions ou primes gouvernementales, peuvent rendre l’investissement dans un système photovoltaïque plus attractif à long terme.
Le câblage photovoltaïque est bien plus qu’un simple assemblage de fils et de connecteurs. Il constitue la colonne vertébrale des installations solaires et influence directement leur performance. Une bonne compréhension des différents types de câblage, des normes de sécurité, et des coûts impliqueront le succès de votre projet. Avoir les bonnes informations vous permettra de maximiser le rendement de votre installation tout en minimisant les risques. Investir dans un bon système de câblage est un investissement dans la durabilité et l’efficacité énergétique.


Laisser un commentaire