L’importance de la section de câble terre dans les installations photovoltaïques

découvrez notre gamme de câbles de terre pour photovoltaïque, conçus pour garantir une sécurité optimale et une performance accrue de vos installations solaires. idéal pour les professionnels et les particuliers souhaitant maximiser l'efficacité de leur système d'énergie renouvelable.

Les installations photovoltaïques prennent de plus en plus d’ampleur dans le paysage énergétique moderne. En parallèle, la question de la sécurité devient cruciale, notamment en ce qui concerne la section de câble terre. Comprendre son rôle, son choix et sa mise en œuvre est essentiel pour garantir la sécurité des systèmes solaires. L’importance de cette section ne se limite pas uniquement à un aspect technique : elle est directement liée à la protection des utilisateurs et des équipements. Dans ce contexte, cette exploration de la section de câble terre vise à éclairer les enjeux liés à son choix et à son installation.

Choisir la bonne section de câble terre

Le choix de la section du câble terre doit être abordé avec sérieux. La norme NF C 15-100 fournit des lignes directrices claires, mais divers facteurs doivent également être pris en compte. Parmi eux, la longueur de la liaison, la nature du sol et la configuration de l’installation jouent un rôle fondamental. En effet, une section trop petite pourrait conduire à des risques électriques, tandis qu’une section trop grande pourrait engendrer des coûts inutiles. Il est donc essentiel d’effectuer des calculs précis pour garantir que le câble terre soit capable de dissiper efficacement d’éventuelles surcharges.

Les facteurs à considérer

Lors du choix de la section de câble terre, plusieurs éléments doivent être considérés. La température ambiante, les matériaux du sol, et l’impact de la corrosion peuvent influencer le bon fonctionnement du système.

En outre, il est impératif de vérifier si le câble peut supporter la conductivité électrique nécessaire pour protéger le système photovoltaïque. Un câble en cuivre, par exemple, a une conductivité supérieure à celle d’un câble en aluminium, rendant son choix prépondérant pour des installations où la sécurité électrique est critique.

découvrez notre gamme de câbles terre photovoltaïques, spécialement conçus pour optimiser la sécurité et la performance de vos installations solaires. assurez une connexion fiable et durable pour maximiser l'efficacité de votre système photovoltaïque.

Installation du câble terre : étapes et précautions

L’installation des câbles terre ne doit jamais être prise à la légère. Un mauvais choix ou une installation inappropriée peut mener à des conséquences désastreuses. Pour réaliser une installation fiable, des étapes précises doivent être suivies et des précautions doivent être prises tout au long du processus.

Évaluer le site d’installation

Avant de procéder à l’installation, une évaluation minutieuse de l’emplacement est nécessaire. Il faut identifier la nature du sol afin d’optimiser l’efficacité du système de mise à la terre. La présence éventuelle de roches, d’humidité ou de matériaux corrosifs doit également être analysée. Un sol bien conducteur est essentiel pour garantir une bonne performance du câble terre.

Techniques d’installation

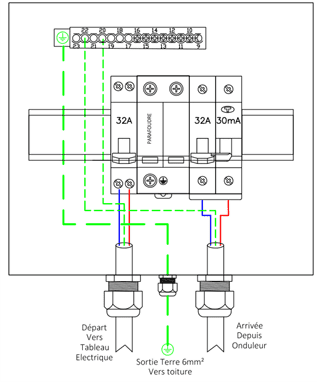
Différentes techniques peuvent être utilisées lors de l’installation d’un câble terre. L’une des méthodes les plus courantes est d’enterrer le câble dans le sol, en garantissant qu’il soit suffisamment enfoncé pour atteindre une conductivité optimale. Dans certains cas, des barres de mise à la terre peuvent être nécessaires pour renforcer le système. La connexion entre les différents éléments du système doit également être effectuée avec soin pour éviter toute perte d’efficacité.

découvrez nos câbles terre photovoltaïques, spécialement conçus pour assurer une connexion sécurisée et efficace de vos installations solaires. garantissez la protection de votre système avec des composants de haute qualité adaptés aux exigences des énergies renouvelables.

Maintenance du système de mise à la terre

La mise en œuvre d’un système de mise à la terre est un succès à atteindre, mais sa maintenance reste tout aussi cruciale. Assurer une inspection régulière du câble terre et de ses connexions permet de prévenir des risques potentiels. Les éléments suivants méritent d’être examinés régulièrement :

Inspection visuelle

Établir des visites régulières sur le site permet de s’assurer que le câble terre et ses connexions sont en bon état. Vérifier l’absence de corrosion, de coupures ou d’autres signes d’usure est essentiel. L’état du sol doit également être observé, pour s’assurer qu’aucune détérioration ne pourrait nuire à la mise à la terre.

Mesurer la résistance de terre

La résistance de terre doit être mesurée périodiquement afin de s’assurer de son efficacité. Des valeurs trop élevées peuvent indiquer une défaillance du système, nécessitant une intervention rapide. L’utilisation d’un appareil approprié permet d’évaluer correctement la résistance de terre du système d’installation.

Normes et réglementations

Le cadre légal qui entoure les installations photovoltaïques, et plus particulièrement la mise en œuvre de systèmes de mise à la terre, est d’une importance capitale. La conformité aux normes en vigueur garantit non seulement la sécurité des usagers, mais également la pérennité des installations.

Les normes à respecter

Les normes comme la NF C 15-100 en France et d’autres directives internationales guident les installateurs sur les pratiques à suivre. Chaque norme adopte une approche axée sur la sécurité et la durabilité des installations : la section de câble terre, l’évaluation de la résistance et d’autres critères sont couverts par ces règlements.

découvrez les câbles terre spécialement conçus pour les systèmes photovoltaïques. assurez-vous une installation en toute sécurité avec des équipements de qualité, garantissant une performance optimale de vos panneaux solaires.

Peines en cas de non-conformité

Les installations qui ne respectent pas les réglementations peuvent engager des pénalités pour les installations effectuées. En cas d’accident, les conséquences peuvent être catastrophiques, tant sur le plan humain que matériel. Il est donc impératif d’adhérer strictement à ces exigences réglementaires afin de garantir un fonctionnement optimal et sécurisé.

Conclusion sur l’importance des câbles terre

La section de câble terre joue un rôle essentiel dans la sécurité des installations photovoltaïques. Les enjeux associés à son choix, son installation et sa maintenance ne doivent pas être sous-estimés. En optant pour des normes reconnues et en respectant les réglementations, on garantit non seulement une protection efficace, mais aussi la durabilité des systèmes solaires. De plus, comprendre l’impact direct de la mise à la terre sur la performance globale est primordial dans ce secteur en pleine croissance. Pour approfondir vos connaissances, des ressources comme forum sur la section câble terre et ressources complémentaires peuvent être très utiles. Les professionnels du secteur doivent impérativement rester informés des nouveautés techniques et réglementaires, pour bien préparer l’avenir et garantir des installations photovoltaïques sécurisées.

Laisser un commentaire

Vous avez peut-être manqué

Panneau Photovoltaique Solaire Pro 4.9 (98%) 18000 votes

Recevez votre devis gratuit pour installer des panneaux photovoltaïque

X