coupleur de phase cpl

découvrez notre coupleur cpl, la solution idéale pour optimiser votre réseau électrique et améliorer la transmission de données. profitez d'une connexion stable et rapide dans toute votre maison grâce à notre technologie avancée. idéal pour les utilisateurs cherchant à étendre leur réseau sans fil avec une installation simple et efficace.

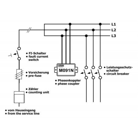
Le coupleur de phase CPL est un élément clé dans le monde de l’énergie électrique, notamment pour les systèmes triphasés. Avec l’évolution des technologies et une demande croissante en énergies renouvelables, comprendre cet appareil devient indispensable. Il permet d’assurer une connexion fiable et efficace entre différents circuits, tout en maintenant l’équilibre des phases. Cette notion est d’une importance cruciale pour optimiser les performances des installations solaires et garantir leur pérennité.

Un coupleur de phase joue un rôle similaire, mais dans un contexte différent. Grâce à leur conception, ils facilitent la gestion et la distribution d’énergie dans un réseau électrique. Pour tous les passionnés d’énergie solaire et d’électricité, il est essentiel de savoir comment ces dispositifs fonctionnent et comment ils peuvent être intégrés dans vos projets d’énergie verte.

Comprendre le coupleur de phase CPL

Les coupleurs de phase sont des dispositifs qui permettent de combiner plusieurs circuits électriques. Dans un système triphasé, chaque phase peut être considérée comme un circuit distinct, et l’utilisation d’un coupleur approprié est primordiale pour assurer une distribution harmonieuse de l’énergie. Le coupleur CPL se distingue par sa capacité à gérer des charges plus élevées, ce qui est particulièrement utile dans les installations industrielles et commerciales.

Lorsque vous envisagez d’intégrer un coupleur dans votre réseau électrique, il faut d’abord évaluer les besoins en énergie de votre installation. Ce geste est fondamental pour choisir le modèle adapté, mais aussi pour garantir la sécurité et l’efficacité de votre système. Les techniciens recommandent souvent de se référer aux spécificités techniques de chaque produit, notamment en ce qui concerne la tension et l’intensité.

découvrez notre coupleur cpl de haute qualité, conçu pour optimiser vos connexions réseau et étendre la portée de votre signal. idéal pour les foyers et les bureaux, ce coupleur assure une transmission stable et rapide des données. améliorez votre expérience de connectivité dès aujourd'hui!

Fonctionnement d’un coupleur de phase

Pour bien saisir l’intérêt d’un coupleur de phase, il est impératif de connaître son fonctionnement. Lorsqu’il est mis en place, ce dispositif permet d’assurer la continuité de l’énergie à différents points d’une installation. Dans un système triphasé, il équilibre les charges sur chaque phase, ce qui contribue à réduire les pertes d’énergie. Les principaux avantages de cette gestion sont la durabilité des équipements et l’optimisation des coûts de fonctionnement sur le long terme.

Les applications pratiques des coupleurs de phase sont multiples. Dans le domaine des énergies renouvelables, par exemple, ces équipements sont souvent utilisés pour relier des onduleurs à des réseaux électriques ou pour connecter plusieurs panneaux solaires entre eux. Les installations solaires nécessitent donc une attention particulière, car une mauvaise distribution de l’énergie peut affecter directement la performance globale de l’installation.

Les avantages du coupleur de phase CPL

Les coupleurs CPL offrent de nombreux avantages, qui peuvent transformer votre manière de gérer l’énergie. Premièrement, leur conception leur permet de supporter des charges plus importantes, ce qui est parfait pour les installations nécessitant une puissance élevée. De plus, ils garantissent une répartition uniforme de l’énergie, réduisant ainsi le risque de surcharge sur une seule phase.

Un autre point fort est leur facilité d’intégration dans des systèmes existants. Quel que soit le type d’installation, que ce soit pour des projets résidentiels ou commerciaux, ils peuvent être adaptés sans nécessiter de modifications majeures du réseau électrique. Cela représente une efficacité accrue et des économies substantielles à long terme.

découvrez notre sélection de coupleurs cpl, des dispositifs indispensables pour améliorer votre réseau électrique et optimiser la connexion de vos appareils. transformez votre maison en un espace connecté avec des solutions fiables et performantes.

Utilisation dans les systèmes solaires

Dans le cadre des installations solaires, utiliser un coupleur de phase efficace est essentiel, notamment pour assurer une bonne performance du système. Un coupleur de phase triphasé est la solution parfaite pour relier plusieurs panneaux ou batteries. En garantissant une connexion homogène, ces dispositifs assurent que chaque panneau fonctionne à son plein potentiel.

Pour optimiser l’énergie produite par vos panneaux, il est conseillé de vérifier la compatibilité des coupleurs avec les onduleurs. Des dispositifs inadaptés peuvent non seulement nuire à la performance, mais aussi endommager l’équipement.

Les challenges liés aux coupleurs de phase

Malgré les nombreux avantages qu’ils présentent, les coupleurs de phase ne sont pas exempts de défis. Lors de l’installation, des erreurs peuvent survenir, conduisant à une perte d’énergie ou à des dysfonctionnements. La précision est primordiale et investit un certain temps dans la planification et l’exécution.

Les problèmes de compatibilité avec d’autres systèmes peuvent également poser des difficultés. En effet, une mauvaise association de produits peut diminuer l’efficacité globale du réseau électrique. C’est pourquoi il est recommandé de toujours consulter un expert en énergie avant de procéder à une installation.

découvrez notre gamme de coupleurs cpl, des dispositifs essentiels pour établir une connexion réseau stable et rapide à travers le câblage électrique de votre maison. optimisez votre réseau domestique avec nos solutions faciles à installer et performantes.

Importance de la maintenance

Une fois en service, la maintenance régulière d’un coupleur de phase CPL est cruciale pour préserver son efficacité. Cela inclut la vérification des connexions, le nettoyage des contacts et un contrôle périodique des équipements associés. Un entretien négligé peut engendrer des défaillances, augmentant non seulement les coûts, mais impactant également la production d’énergie.

Les utilisateurs doivent également se tenir informés sur les avancées techniques. La technologie évolue rapidement, et les nouveaux modèles de coupleurs offrent souvent des améliorations significatives en termes d’efficacité et de fonctionnalités. Rester à jour sur les nouvelles tendances peut donner un avantage considérable dans le domaine des installations solaires.

Perspectives d’avenir pour les coupleurs de phase

L’avenir des coupleurs de phase, en particulier dans le secteur de l’énergie solaire, semble prometteur. Avec la montée des technologies vertes et les exigences croissantes en matière d’efficacité énergétique, ces dispositifs devraient se développer et s’adapter aux nouveaux défis du marché. La recherche et l’innovation joueront un rôle clé, de même que les efforts pour intégrer ces technologies dans de nouvelles installations.

Les professionnels de l’énergie anticipent également une augmentation de la personnalisation. Les solutions adaptées aux besoins spécifiques des utilisateurs deviendront plus courantes, permettant à chacun d’optimiser ses systèmes d’énergie. Pour les adeptes d’énergie solaire, cela signifie un plus grand retour sur investissement et une cohérence dans la production d’énergie.

découvrez notre coupleur cpl, l'accessoire essentiel pour optimiser vos connexions électriques. idéal pour améliorer la transmission de données dans votre réseau domestique, il garantit une installation facile et une performance fiable. parfait pour les foyers modernes qui cherchent à allier confort et efficacité énergétique.

Intégration avec d’autres technologies

Un autre aspect à considérer est l’intégration des coupleurs de phase avec d’autres technologies émergentes, comme les réseaux intelligents et les systèmes de stockage d’énergie. Ces synergies permettront non seulement d’optimiser la distribution d’énergie, mais également d’augmenter la résilience des infrastructures.

Les systèmes de gestion d’énergie, par exemple, représentent une avancée majeure. En combinant ces nouveaux outils avec des coupleurs de phase, les utilisateurs pourront mieux suivre leur consommation et ajuster leur production d’énergie en temps réel.

Laisser un commentaire

Vous avez peut-être manqué

Panneau Photovoltaique Solaire Pro 4.9 (98%) 24855 votes

Recevez votre devis gratuit pour installer des panneaux photovoltaïque

X