coupleur separateur batterie auxiliaire
Le coupleur séparateur de batterie auxiliaire est un accessoire essentiel pour quiconque utilise un camping-car, un bateau moteur ou un fourgon aménagé. Son rôle est de gérer efficacement la recharge de la batterie auxiliaire tout en préservant la batterie moteur. En permettant un couplage lors de la route et une séparation lorsque le moteur est à l’arrêt, ce dispositif assure une utilisation optimale de l’énergie embarquée.
Fonctionnement du coupleur séparateur
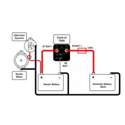
Pour comprendre l’importance d’un coupleur séparateur, il est nécessaire d’expliquer son fonctionnement. Le dispositif se raccorde entre la batterie moteur et la batterie auxiliaire. Lors de la marche du moteur, l’alternateur procède à la recharge de la batterie moteur en priorité. Une fois cette batterie pleinement chargée (généralement lorsque sa tension atteint 13,8 volts), le coupleur séparateur permet de coupler la batterie auxiliaire à celle-ci. Cela permet à la batterie auxiliaire d’être rechargée sans nuire à la batterie moteur, préservant ainsi son autonomie. Ce processus est crucial pour les utilisateurs qui souhaitent éviter de tomber en panne à cause d’une batterie moteur déchargée.

Le fonctionnement du coupleur séparateur peut être décrit en plusieurs étapes :
- Lorsque le moteur tourne, l’alternateur recharge la batterie moteur.
- Une fois cette batterie pleine, le coupleur enclenche la recharge de la batterie auxiliaire.
- Quand le moteur s’arrête, les deux batteries sont séparées pour éviter que la batterie moteur ne se décharge.
Un indicateur de signalisation est souvent inclus dans le kit, permettant à l’utilisateur de visualiser l’état de la connexion. Il est possible également de connecter des équipements de loisirs (réfrigérateurs, pompes, etc.) directement à la batterie auxiliaire, soulageant ainsi la batterie moteur.
Les différents types de coupleurs séparateurs
Il existe plusieurs types de coupleurs séparateurs sur le marché, chacun ayant des caractéristiques spécifiques pour répondre aux besoins variés des utilisateurs. Voici un tableau récapitulatif de quelques options populaires :
| Modèle | Capacité (A) | Type de batterie | Caractéristiques |
|---|---|---|---|
| Victron Energy Cyrix-CT | 120A | Plomb/GEL/Lithium | Sans réglage, s’active automatiquement |
| Noco Genius | 90A | Plomb/GEL | Charge à différentes tensions, protection contre les courts-circuits |
| Ctek D250SA | 20A | Plomb/GEL/Lithium | Inclus un régulateur de charge solaire intégré |
Chaque modèle a ses propres avantages. Par exemple, le Ctek D250SA intègre un régulateur de charge solaire, ce qui est particulièrement avantageux pour les camping-cars équipés de panneaux solaires. D’autre part, les modèles comme Victron Energy sont connus pour leur durabilité et leur compatibilité avec les batteries lithium, ce qui les rend adaptés aux dernières innovations en matière de stockage d’énergie.
Installation du coupleur séparateur
L’installation d’un coupleur séparateur peut sembler compliquée, mais avec les bonnes instructions, cela devient un projet réalisable. Le kit typique comprend un coupleur, des câbles, des fusibles et un schéma de câblage. Voici un guide simplifié pour l’installation :
- Choisissez l’emplacement : Le coupleur doit être monté idéalement entre la batterie moteur et la batterie auxiliaire, à proximité de chaque batterie.
- Connectez les câbles : Utilisez des fils de 6mm² pour les liaisons. Assurez-vous que chaque connexion est sécurisée et correctement isolée.
- Installez les fusibles : Ne pas oublier de placer les fusibles le plus près possible des batteries pour protéger le système.
Un schéma de câblage est généralement fourni avec le kit, ce qui facilite l’installation. Néanmoins, il est conseillé de consulter un professionnel si des doutes subsistent. Pour un guide d’installation plus détaillé, consulter le site Mister Vanlife.

Lors de l’installation, il est essentiel de garantir une bonne ventilation autour du coupleur séparateur et d’éviter toute installation dans le compartiment moteur, là où la chaleur pourrait affecter les composants électroniques. Les utilisateurs doivent également prêter attention à la protection des câbles pour prévenir les courts-circuits.
Comparaison avec les chargeurs boosters
Bien que le coupleur séparateur ait ses mérites, il est crucial d’explorer d’autres options, notamment les chargeurs boosters. À mesure que les technologies évoluent, ces dispositifs commencent à remplacer le coupleur séparateur dans certains contextes. Les chargeurs boosters, également appelés chargeurs DC/DC, offrent plusieurs avantages :
- Adaptabilité : Ils peuvent charger plusieurs batteries à partir de la batterie moteur sans perte significative d’énergie.
- Optimisation de la charge : Contrairement à un coupleur, un chargeur booster peut être réglé pour charger en fonction de la chimie de la batterie (GEL, AGM, Lithium, etc.)
- Flexibilité : Il est possible d’intégrer un régulateur de charge solaire pour maximiser l’autonomie énergétique.
Cette polyvalence en fait un choix de plus en plus populaire auprès des utilisateurs soucieux de leur consommation énergétique. Pour plus d’informations sur les différences entre ces systèmes, une ressource utile est disponible sur ekosia.fr.
Les inconvénients des coupleurs séparateurs
Malgré leurs nombreux avantages, les coupleurs séparateurs présentent également des limites. Parmi celles-ci, l’inconvénient majeur est leur incapacité à maintenir une charge optimisée sur des batteries de types différents. Lors du couplage, il peut y avoir un risque d’équilibrage des tensions, ce qui peut affecter la durée de vie de la batterie auxiliaire, surtout si cette dernière est plus moderne ou d’une technologie différente. En conséquence, de nombreux experts recommandent aux utilisateurs d’explorer les solutions alternatives comme les chargeurs boosters, qui offrent un contrôle plus précis sur le processus de charge, évitant la surcharge et l’usure rapide des batteries.
Conseils pour choisir le meilleur coupleur séparateur
Choisir un coupleur séparateur n’est pas toujours évident, compte tenu de la multitude de produits disponibles sur le marché. Voici quelques éléments clés à considérer lors de votre choix :
- Compatibilité : Assurez-vous que le coupleur est compatible avec le type de batterie de votre moteur et batterie auxiliaire.
- Capacité de charge : Vérifiez que la capacité (en A) est suffisante pour vos besoins.
- Fonctionnalités supplémentaires : Certains modèles proposent des caractéristiques additionnelles, comme des sorties pour réfrigérateurs ou des protections supplémentaires contre les courts-circuits.
Pour un guide plus détaillé sur le choix d’un coupleur séparateur, vous pouvez consulter H2R Équipements, qui propose des insights précieux selon votre type de véhicule et vos besoins spécifiques.

Marques recommandées
Plusieurs marques se distinguent par leur qualité et leur fiabilité dans le domaine des coupleurs séparateurs. Voici quelques-unes qui méritent votre attention :
| Marque | Modèle | Caractéristiques |
|---|---|---|
| Varta | Coupleur Varta Smart | Fonctionnement intelligent, idéal pour batteries plomb |
| Dometic | Dometic E712 | Facile à installer, bonne pour petits systèmes |
| Bajo | Bajo 100A | Robuste et adapté aux grandes batteries |
En choisissant des marques reconnues comme Dometic ou Varta, les utilisateurs peuvent s’assurer d’obtenir un produit fiable et efficace qui répond à leurs besoins énergétiques. Les avis et retours d’expérience des utilisateurs peuvent aussi fournir des indications précieuses sur la performance des différents modèles disponibles.


Laisser un commentaire