schema installation photovoltaique autoconsommation
Schema d’installation photovoltaïque en autoconsommation
La transition énergétique s’accélère en France, avec de plus en plus d’entreprises et de particuliers qui optent pour l’autoconsommation à travers des installations photovoltaïques. Avec la hausse des tarifs de l’énergie, l’autoconsommation photovoltaïque se révèle être une solution viable et économiquement avantageuse. Cet article vise à détailler le fonctionnement des installations photovoltaïques en autoconsommation, les schémas de raccordement, ainsi que la réglementation en vigueur.
Comprendre l’autoconsommation photovoltaïque
L’autoconsommation consiste à utiliser l’électricité produite par ses propres panneaux solaires pour couvrir ses besoins énergétiques. Cela permet non seulement de réduire les factures d’électricité, mais également de diminuer son empreinte carbone. Les installations peuvent varier en taille et en capacité, dépendant des besoins spécifiques et du budget disponible.
Dans les systèmes d’autoconsommation, la production d’énergie se fait grâce à des panneaux solaires qui convertissent l’énergie solaire en électricité. L’électricité produite est ensuite utilisée directement par le bâtiment, réduisant ainsi la quantité d’électricité achetée sur le réseau. L’excès d’énergie produite peut être soit stocké dans des batteries, soit injecté sur le réseau selon les régulations locales.
Les enjeux de l’autoconsommation
Avec la croissance des facteurs écoresponsables, l’autoconsommation répond à plusieurs enjeux majeurs. Tout d’abord, elle permet aux utilisateurs de se libérer des fluctuations des prix de l’énergie en garantissant une partie de leur approvisionnement. En second lieu, en diminuant leur dépendance au réseau, les consommateurs contribuent à rendre le système énergétique plus durable. Ce modèle favorise l’énergie renouvelable et aide à atteindre les objectifs de neutralité carbone fixés par le gouvernement français.
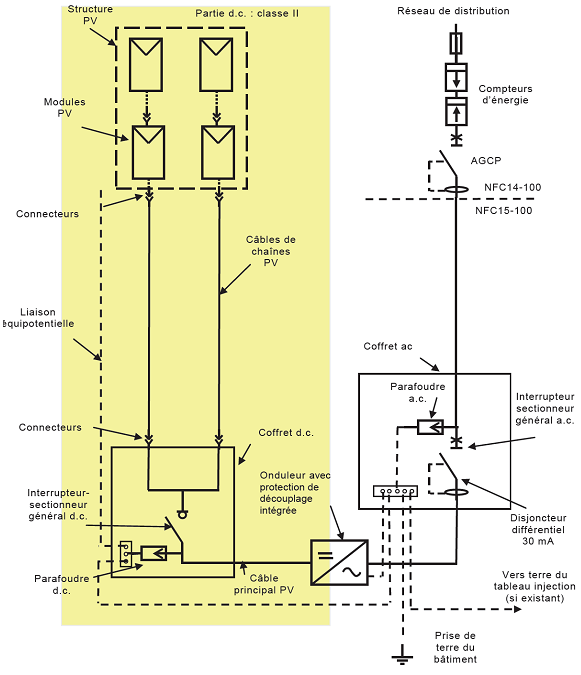
Les schémas de raccordement photovoltaïque
Le schéma de raccordement d’une installation photovoltaïque en autoconsommation est crucial pour son bon fonctionnement. Il doit prendre en compte plusieurs éléments, notamment les panneaux solaires, les onduleurs, le tableau électrique et, le cas échéant, les systèmes de stockage.
En général, les installations peuvent être raccordées directement au réseau électrique avec possibilité d’injection des surplus, ou bien elles peuvent être totalement indépendantes, utilisant uniquement l’énergie produite pour leur propre consommation.
Les étapes clés du raccordement
Les étapes clés pour une installation photovoltaïque efficace comprennent :
- Évaluation des besoins énergétiques.
- Étude de faisabilité et choix de l’installation (panneaux, onduleurs, batterie).
- Réalisation des travaux d’installation et raccordement électrique.
- Obtention des autorisations nécessaires.
- Mise en route de l’installation et monitoring de la production d’énergie.
Les enjeux réglementaires de l’autoconsommation
La législation en France concernant l’autoconsommation photovoltaïque est encadrée par plusieurs textes, notamment la loi relative à l’accélération de la production d’énergies renouvelables. Cette législation impose certaines obligations aux installations de panneaux solaires afin de garantir une transition énergétique responsable et pérenne.
Les installations de plus de 1,5 kWc doivent respecter des règles spécifiques concernant le raccordement au réseau électrique, et des normes de sécurité. De plus, elles peuvent bénéficier de subventions afin de réduire les coûts d’investissement. Des mesures incitatives sont mises en place pour encourager l’installation de systèmes d’autoconsommation, rendant le processus plus attrayant pour les entreprises et les particuliers.
Les aides à l’installation
Pour faciliter l’accès à l’autoconsommation photovoltaïque, plusieurs aides et subventions sont disponibles. Les particuliers peuvent accéder au crédit d’impôt, aux subventions régionales, et même à des aides directes via des programmes gouvernementaux pour les installations qui répondent à des critères d’efficacité énergétique.
Il est crucial de se renseigner sur ces différentes aides avant de procéder à l’installation, car cela peut considérablement réduire les coûts initiaux et optimiser le retour sur investissement à long terme.
Les bénéfices économiques de l’autoconsommation
En investissant dans une installation photovoltaïque pour l’autoconsommation, l’utilisateur peut réaliser des économies significatives sur sa facture d’électricité. En effet, l’autoconsommation permet d’utiliser l’électricité produite au moment même où elle est générée, évitant ainsi des coûts d’achat élevés. L’économie d’énergie peut aller de 20 à 80 % suivant la taille de l’installation et la consommation électrique propre.
Avec l’augmentation projetée des coûts des énergies fossiles et l’instabilité des prix sur le marché de l’électricité, le choix de l’autoconsommation photovoltaïque apparaît comme une solution de plus en plus évidente pour les entreprises désirant maîtriser leurs dépenses énergétiques.
Les tendances futures dans l’autoconsommation photovoltaïque
L’avenir de l’autoconsommation photovoltaïque semble prometteur, notamment avec l’évolution des technologies de stockage et les innovations dans le domaine des panneaux solaires. Les systèmes de batteries deviennent de plus en plus accessibles pour les particuliers et les entreprises, permettant ainsi de stocker l’électricité excédentaire produite pour une utilisation ultérieure.
De plus, l’introduction de nouvelles réglementations et incitations pourrait jouer un rôle clé dans l’adoption des énergies renouvelables. Les initiatives locales et les projets de communautés énergétiques gagnent également en popularité, encourageant l’esprit de solidarité et de collaboration autour des énergies renouvelables.
La transformation du paysage énergétique
Avec des engagements gouvernementaux croissants vers la neutralité carbone, l’autoconsommation photovoltaïque pourrait transformer le paysage énergétique français. D’ici quelques années, nous pourrions voir une multiplication significative des installations solaires, tant à l’échelle résidentielle qu’industrielle, ce qui renforcerait la position de la France en tant que leader dans le domaine des énergies renouvelables.
Observons un avenir où l’énergie est accessible à tous, où chaque individu et chaque entreprise devient acteur de la transition énergétique. Grâce à des installations photovoltaïques, il est possible d’atteindre cet objectif, contribuant ainsi à la protection de notre planète.


Laisser un commentaire