panneaux solaires triphasé

découvrez les panneaux solaires 3 phases, une solution énergétique innovante et efficace pour optimiser votre production d'électricité. profitez d'une performance accrue, d'une meilleure gestion de votre consommation et d'une réduction significative de votre empreinte carbone. idéal pour les particuliers et les entreprises souhaitant s'engager vers une transition énergétique durable.

Les avancées technologiques dans le domaine des énergies renouvelables, notamment avec les panneaux solaires triphasés, offrent des solutions innovantes pour diminuer notre dépendance aux énergies fossiles. La prise de conscience croissante sur les enjeux écologiques et les fluctuations des prix de l’énergie incitent de plus en plus de foyers à envisager l’autoconsommation électrique. Avec ces systèmes, bénéficier d’une source d’énergie propre et gratuite devient une réalité tangible. Les particularités des installations triphasées répondent à des besoins spécifiques en fournissant une puissance adaptée, particulièrement dans des contextes où la consommation électrique est élevée.

Qu’est-ce qu’une installation triphasée?

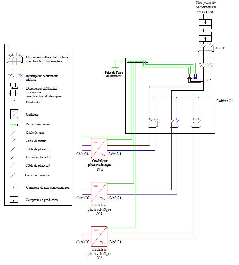
Une installation triphasée se caractérise par l’utilisation de trois phases de courant alternatif, permettant ainsi de distribuer l’électricité de manière plus équilibrée et efficace. Ce type de dispositif est particulièrement adapté aux habitations ou parfois même aux petites entreprises qui ont une consommation d’électricité élevée, par exemple avec des appareils électroménagers énergivores. En optant pour des panneaux solaires triphasés, on maximise l’utilisation de l’énergie produite par le système photovoltaïque.

découvrez les avantages des panneaux solaires 3 phases pour une production d'énergie optimale. idéaux pour les installations résidentielles et commerciales, ils garantissent une efficacité accrue et une meilleure gestion de l'électricité. informez-vous sur leur fonctionnement, leur installation et comment ils peuvent réduire vos factures d'énergie tout en contribuant à la protection de l'environnement.

Pourquoi choisir le triphasé?

Le choix d’une installation triphasée offre de nombreux avantages, notamment une meilleure stabilité des réseaux électriques et une réduction des coûts d’installation pour les systèmes nécessitant de gros équipements. Par ailleurs, la répartition de la charge permet une diminution des pertes d’énergie lors de la transmission. De ce fait, même lors de pics de consommation, l’installation assure une distribution uniforme de l’électricité sans risque de surcharge. Pour en savoir plus, vous pouvez consulter les guides pratiques comme ceux de DualSun ou NeoZone.

Les composants clés d’un système triphasé

Un système de panneaux solaires triphasés est constitué de plusieurs éléments techniques essentiels. Le premier d’entre eux est l’onduleur triphasé, qui est responsable de la conversion du courant continu produit par les panneaux solaires en courant alternatif. Il existe divers types d’onduleurs, mais le choix d’un onduleur adapté est crucial pour optimiser la performance de l’installation. En plus de cela, les micro-onduleurs sont souvent utilisés pour assurer une meilleure production d’énergie, même lorsque certaines cellules sont ombragées.

découvrez les panneaux solaires 3 phases, une solution idéale pour maximiser votre production d'énergie renouvelable. optimisez vos installations électriques et réduisez vos factures grâce à une technologie innovante et efficace. informez-vous sur les avantages, l'installation et le rendement de ces systèmes solaires performants.

L’importance des batteries de stockage

Pour accompagner une installation de panneaux solaires, l’intégration d’une batterie de stockage est souvent conseillée. En effet, celle-ci permet de stocker l’excès d’énergie produite pendant la journée pour l’utiliser durant la nuit ou lors des périodes nuageuses. Des solutions comme Anker ou Revolution Énergétique proposent des systèmes de stockage efficaces, offrant une autonomie énergétique optimale.

Les économies d’énergie et financières

Investir dans une installation de panneaux solaires triphasés permet non seulement de réaliser des économies sur les factures d’électricité, mais aussi de bénéficier d’aides financières à l’installation. En effet, plusieurs dispositifs existent en France, comme des subventions ou des crédits d’impôt, visant à encourager l’adoption des énergies renouvelables. En calculant vos économies potentielles grâce à différents simulateurs en ligne, vous aurez une meilleure idée de votre retour sur investissement sur le long terme.

https://www.youtube.com/watch?v=1MibdwZvA7A

Maintenance et durabilité

Un autre aspect important à considérer est la maintenance des installations. Les panneaux solaires sont conçus pour être durables et viennent avec des garanties allant jusqu’à 25 ans. Un entretien régulier est cependant nécessaire pour garantir un fonctionnement optimal. Cela inclut le nettoyage des panneaux pour éviter l’accumulation de saleté et ainsi maximiser la production d’énergie. De plus, les compagnies comme EDF et autres fournissent des conseils utiles sur la maintenance des installations solaires.

Les tendances du marché des panneaux solaires

Le marché des panneaux solaires évolue rapidement, avec de nouvelles technologies qui émergent régulièrement. Les fabricants investissent dans l’innovation pour proposer des produits plus performants et de plus en plus accessibles. Des entreprises telles que Solair Kit offrent des kits complets d’installation pour favoriser l’accès à l’autoconsommation. Cela permet non seulement de démontrer les avantages des systèmes triphasés, mais aussi de les intégrer dans un éventail plus large de solutions énergétiques à domicile.

découvrez les avantages des panneaux solaires 3 phases pour optimiser votre production d'énergie. idéaux pour les grandes installations, ils garantissent une meilleure efficacité énergétique et une réduction significative de votre empreinte carbone.

Les défis de l’énergie solaire

Malgré la popularité croissante des systèmes de panneaux solaires, plusieurs défis demeurent. Cela inclut la nécessité d’un investissement initial important et la variable production d’énergie due aux conditions météorologiques. De plus, des questions pratiques d’installation et de compatibilité avec les infrastructures existantes peuvent également soulever des préoccupations. Heureusement, les ressources en ligne, comme celles du Forum Photovoltaïque, offrent des solutions aux défis rencontrés.

Laisser un commentaire

Vous avez peut-être manqué

Panneau Photovoltaique Solaire Pro 4.9 (98%) 23769 votes

Recevez votre devis gratuit pour installer des panneaux photovoltaïque

X