schéma de branchement d’un onduleur
Dans le domaine de l’énergie solaire, comprendre le fonctionnement et le schéma de branchement d’un onduleur est essentiel pour optimiser l’utilisation des panneaux solaires et garantir une installation efficace. L’onduleur joue un rôle crucial en permettant la conversion du courant continu (CC) généré par les panneaux solaires en courant alternatif (CA), adapté aux appareils électriques de notre quotidien. Grâce à cet article, vous aurez un aperçu détaillé des différents types d’onduleurs, de leur fonctionnement, de leur importance, ainsi que de l’installation de ces dispositifs. Le choix du meilleur onduleur, qu’il soit d’une marque connue comme APC, Eaton ou Schneider, doit être guidé par vos besoins spécifiques et les exigences de votre système électrique.
Qu’est-ce qu’un onduleur et comment fonctionne-t-il ?
Un onduleur est un dispositif électronique conçu pour transformer le courant continu (CC) produit par des sources d’énergie renouvelables, principalement des panneaux solaires, en courant alternatif (CA) que les appareils ménagers peuvent utiliser. Ce processus est vital, car la majorité des appareils fonctionnent sur du courant alternatif, qui change en magnitude selon le temps. La conversion se fait grâce à une série de composants électroniques qui assurent la transformation efficace de l’énergie.

Les composants clés d’un onduleur
Un onduleur typique se compose de plusieurs éléments essentiels :
- Transformateur: Utilisé pour ajuster les niveaux de tension.
- Commutateurs: Ils régulent le courant et sont essentiels pour la conversion CC-CA.
- Batteries: Stockent l’énergie sous forme de courant continu.
- MOSFET: Permets des commutations rapides et efficaces.
- Amplificateur: Utilisé pour rendre le courant plus efficace.
Le fonctionnement de l’onduleur commence lorsque le courant provenant des panneaux solaires est envoyé vers l’onduleur. Ce courant continu, généralement de 12V ou 24V, est ensuite converti en courant alternatif de 220V ou 110V, selon les standards électriques de votre région.
Les types d’onduleurs disponibles
Il existe différents types d’onduleurs sur le marché, chacun ayant ses propres caractéristiques et applications. Voici un aperçu des principaux types :
Onduleurs à ondes sinusoïdales
Les onduleurs à ondes sinusoïdales pures sont les plus courants et offrent une sortie qui convient à la plupart des appareils ménagers. Ils sont idéaux pour les appareils sensibilisés, comme les réfrigérateurs ou les ordinateurs, car ils produisent une forme d’onde propre et stable.
Onduleurs à onde sinusoïdale modifiée
Moins coûteux, les onduleurs à onde sinusoïdale modifiée peuvent en revanche ne pas être adaptés à tous les appareils. Ils sont parfaits pour de petites charges, comme les ventilateurs ou les ampoules, mais peuvent poser des problèmes avec des appareils plus sensibles.
Onduleurs solaires
Simplifiant l’installation pour les systèmes photovoltaïques, ces onduleurs sont spécifiquement conçus pour travailler avec l’énergie solaire et incluent souvent des fonctionnalités avancées comme le suivi des points de puissance maximaux (MPPT).
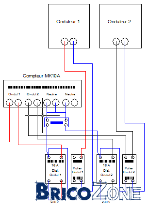
Guide pour le schéma de branchement d’un onduleur
Comprendre comment réaliser un schéma de branchement d’un onduleur est essentiel pour une installation réussie. Voici les étapes clés à suivre :
Éléments nécessaires pour le câblage d’un onduleur
Pour construire un système d’onduleur efficace, voici la liste des composants requis :
- Batterie 12V
- Condensateurs (0,1 µF et 0,01 µF)
- Résistances (390k ohm, 1k ohm, 220 ohm, 330 ohm)
- Interrupteur
- CI CD4047
- MOSFET IRF540
Il est recommandé d’utiliser un logiciel de diagrammes, tel qu’EdrawMax, pour visualiser et mettre en œuvre ces schémas efficacement. Assurez-vous de respecter les normes de sécurité électriques tout au long de l’installation.
Étapes de câblage de l’onduleur
Après vous être procuré tous les composants nécessaires, suivez ces étapes pour réaliser un schéma de câblage d’un onduleur :
- Connectez la batterie à l’entrée de l’onduleur.
- Reliez les condensateurs aux portées appropriées pour assurer un bon filtrage.
- Installez les résistances nécessaires pour contrôler les signaux.
- Utilisez le MOSFET pour gérer le courant de sortie.
- Finalisez le câblage et testez l’installation.
Pour une installation complète et en toute sécurité, vous pouvez consulter des guides d’installation d’onduleurs disponibles sur des sites comme Umvie.
| Type d’onduleur | Applications | Coût | Compatibilité |
|---|---|---|---|
| Onduleur Sinusoïdal | Appareils ménagers variés | Élevé | Élevée |
| Onduleur Modifié | Appareils basiques | Modéré | Moyenne |
| Onduleur Solaire | Systems photovoltaïques | Variable | Haute |
L’importance d’un bon onduleur dans un système d’énergie renouvelable
Un onduleur joue un rôle central dans la mise en place d’un système d’énergie renouvelable, non seulement pour garantir l’efficacité énergétique mais également pour optimiser les coûts. Un bon choix d’onduleur peut vous permettre d’économiser jusqu’à 50 % sur vos factures d’énergie.

Critères de sélection d’un meilleur onduleur
Lorsque vous choisissez un onduleur, plusieurs critères doivent être pris en compte :
- Puissance nominale: Choisissez un modèle capable de supporter la charge électrique de votre domicile.
- Type d’onde: Pour des appareils sensibles, un onduleur à onde sinusoïdale pure est recommandé.
- Fonctions additionnelles: Vérifiez si des options comme le suivi de puissance sont proposées.
- Fiabilité des marques: Opter pour des marques réputées comme Eaton ou Schneider peut garantir la qualité.
Impact sur l’environnement et l’économie
Installer un onduleur de qualité ne permet pas seulement de réduire les coûts énergétiques, mais contribue également à la préservation de l’environnement. L’utilisation accrue des énergies renouvelables favorise une transition vers un avenir énergétique plus durable, ce qui est d’un intérêt croissant pour de nombreux ménages.
Ressources utiles pour le câblage et le branchement d’un onduleur
Pour toute installation ou projet autour des onduleurs, il est essentiel de se renseigner. Voici quelques ressources qui pourront vous être utiles :


Laisser un commentaire