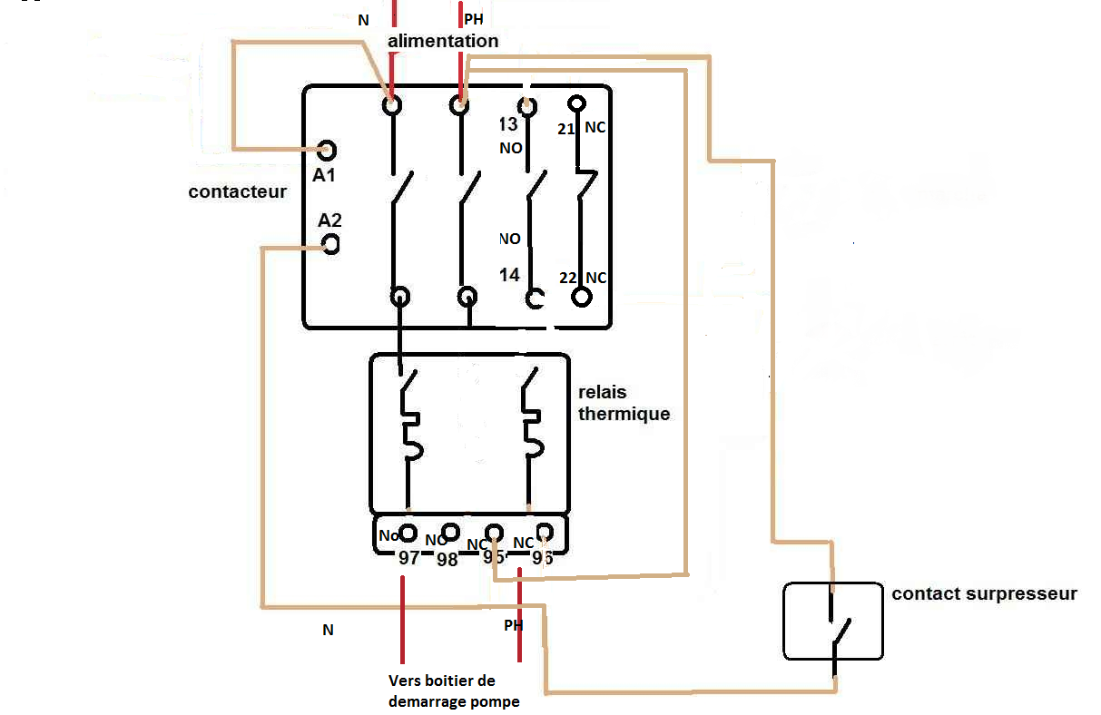
schéma contact nc no
Dans le domaine de la régulation et du contrôle électrique, la maîtrise des schémas de contact NO (Normalement Ouvert) et NC (Normalement Fermé) est primordiale. Ces terminologies, bien que techniques, sont essentielles pour comprendre les montages électriques modernes. Le contact NO, par exemple, n’est actif que lorsqu’une commande est en place. En revanche, le contact NC demeure actif par défaut et se désactive lors de l’activation d’une commande. Ainsi, les choix entre ces types de contacts influencent directement l’efficacité et la sécurité des systèmes électriques.
Les fondamentaux des contacts NO et NC dans les circuits électriques
Les contacts NO et NC se retrouvent dans de nombreux circuits industriels et domestiques. Ce qui les différencie, c’est leur position par défaut et leur fonction respective dans le circuit. Pour illustrer leur fonction, voici un aperçu :
- Contact Normalement Ouvert (NO) :
- Est ouvert par défaut et se ferme lors de l’activation.
- Utilisé pour des applications comme les boutons poussoirs ou les alarmes.
- Est ouvert par défaut et se ferme lors de l’activation.
- Utilisé pour des applications comme les boutons poussoirs ou les alarmes.
- Contact Normalement Fermé (NC) :
- Est fermé par défaut et s’ouvre lors de l’activation.
- Idéal pour des applications où une sécurité supplémentaire est requise.
- Est fermé par défaut et s’ouvre lors de l’activation.
- Idéal pour des applications où une sécurité supplémentaire est requise.
Les systèmes utilisant ces contacts, tels que les relais et contacteurs, sont souvent rencontrés sous les formes de schémas simples mais essentiels. Ces dispositifs permettent un contrôle plus précis sur les circuits électriques, rendant leur compréhension indispensable pour toute personne s’initiant à l’électrotechnique.
| Type de Contact | Position par Défaut | Application Typique |
|---|---|---|
| NO | Ouvert | Alarme, commande de moteur |
| NC | Fermé | Dispositifs de sécurité, boutons d’arrêt |
À partir de cette base, une étude approfondie des schémas de contact devient essentielle pour garantir des installations sûres et efficaces. De plus, ces dispositifs représentent un fondement de la programmation et du câblage électrique, essentielle pour des mécanismes complexes.

Principes de câblage des relais NO et NC
Le câblage des relais, qu’ils soient NO ou NC, est une étape critique dans toute installation électrique. Il permet de construire des systèmes qui réagissent à des inputs spécifiques, souvent automatisés par des automates programmables. Un exemple clair peut être vu dans les installations domestiques, où des dispositifs de sécurité comme des détecteurs de fumée utilisent ces contacts pour fonctionner efficacement.
Lors de l’utilisation des relais NO et NC, il est essentiel de respecter certaines normes de câblage afin d’assurer leur bon fonctionnement. Il existe plusieurs configurations possibles pour relier des relais en utilisant les contacts NO et NC. Voici quelques points fondamentaux :
- Utiliser des faisceaux de câbles adaptés pour assurer la sécurité électrique.
- Déterminer si l’application nécessite un relais NO, NC, ou une combinaison des deux pour un besoin fonctionnel spécifique.
- Vérifier les spécifications des relais avant de finaliser les connexions.
Un schéma de câblage typique pour un relais NO et NC peut être représenté par le schéma suivant :
| Configuration | Schéma | Description |
|---|---|---|
| Relais NO |
|
Utilisé pour activer des dispositifs lorsque le circuit est alimenté. |
| Relais NC |
|
Idéal pour des systèmes nécessitant un arrêt en cas d’activation. |
Il est toujours recommandé de consulter des sources fiables pour des configurations spécifiques, que ce soit sur des forums comme Futura Sciences ou sur des sites dédiés à l’électricité comme Installations Electriques. Ce genre de recherche peut s’avérer précieux pour éviter des erreurs potentiellement coûteuses.
Applications pratiques des contacts NO et NC
Les applications des contacts NO et NC sont vastes et variées. Ils constituent les éléments centraux de plusieurs circuits industriels et résidentiels. Par exemple, dans une installation de chauffage, un contact NC peut être utilisé pour s’assurer que le chauffage s’arrête si une alarme est déclenchée. À l’inverse, un contact NO peut être mis en œuvre pour allumer une lumière lorsqu’un capteur détecte un mouvement.
Ces contacts sont également utilisés dans des dispositifs tels que les systèmes d’alarme, où un contact NO peut signaler une intrusion. Voici un tableau détaillant certaines applications :
| Type de Contact | Application | Explication |
|---|---|---|
| NO | Systèmes d’alarme | Les alarmes se déclenchent lorsque le circuit est fermé par une intrusion. |
| NC | Dispositifs de sécurité | Ouvre un circuit et arrête un appareil en cas de problème. |
| NO + NC | Commandes d’éclairage | Permet de contrôler l’allumage et l’extinction des lumières à partir de différents points. |
En examinant les aspects pratiques, il devient évident que la compréhension et la mise en œuvre de ces contacts sont essentielles pour des applications efficaces. En effet, des éléments plus complexes peuvent être construits avec ces éléments de base, permettant des solutions innovantes et sécurisées.
Comment choisir entre les contacts NO et NC
Le choix entre un contact NO et un contact NC dépend énormément des besoins spécifiques de l’application. Les considérations à prendre en compte incluent le niveau de sécurité requis, la logique de fonctionnement désirée, et les caractéristiques du dispositif à contrôler.
Pour mieux orienter ce choix, il est utile de prendre en compte les scénarios suivants :
- Besoin de sécurité : Utiliser un contact NC là où la défaillance (par exemple, ouverture du circuit) doit entraîner une désactivation d’un système, comme avec un système d’arrêt d’urgence.
- Fonctionnement normal : Opter pour un contact NO lorsque quelque chose doit être activé uniquement en cas de commande, comme dans un moteur électrique.
- Flexibilité : Pour des systèmes de contrôle complexes, une combinaison de contacts NO et NC peut être nécessaire pour faciliter le bon fonctionnement.
Chaque option présente des avantages et inconvénients potentiels. Par exemple, les contacts NC peuvent offrir une meilleure sécurité en cas de coupure de courant, mais pourraient aussi être plus sujets à des fausses alarmes si mal utilisés. En revanche, les contacts NO sont plus simples à gérer, mais leur dépendance à une commandée externe peut poser des problèmes de fiabilité.
Innovations et tendances actuelles en matière de contacts NO et NC
Avec l’évolution technologique incessante, le domaine des contacts NO et NC ne reste pas en reste. Des systèmes de contrôle plus intelligents sont de plus en plus utilisés, intégrant des solutions sans fil et des dispositifs connectés pour une gestion accrue. Aujourd’hui, même des entreprises comme Free, La Poste Mobile, et Orange explorent des solutions pour intégrer des contacts NO et NC dans leurs dispositifs électroniques intelligents.
En 2025, ces innovations permettent non seulement de simplifier le câblage, mais aussi de rendre la maintenance plus facile grâce à des systèmes intelligents de diagnostic. Par exemple, les relais modulaires modernes offrent des options intégrées pour le diagnostic des circuits, permettant de détecter des pannes avant qu’elles ne deviennent un problème.
Les tendances actuelles incluent également le développement de circuits plus verts, permettant aux systèmes de minimiser leur empreinte électrique tout en maximisant la sécurité. La prise de conscience des enjeux environnementaux pousse le secteur à revoir ses normes et à intégrer des options économes en énergie, influençant ainsi le choix des contacts NO et NC dans les nouvelles installations.



Laisser un commentaire