schéma raccordement panneau solaire tableau électrique
Schéma de raccordement d’un panneau solaire au tableau électrique
Le raccordement d’un panneau solaire au tableau électrique est une étape capitale pour optimiser l’utilisation de l’énergie renouvelable domestique. Ce processus nécessite une compréhension approfondie des composants et des règles de sécurité. Le bon schéma de raccordement garantit non seulement le bon fonctionnement du système, mais il préserve également la sécurité des occupants.
Au fur et à mesure que la demande en énergies renouvelables augmente, la sensibilisation à la nécessité d’une installation correcte et efficace s’est accrue. Que vous soyez un particulier souhaitantinstaller un système de panneaux solaires ou un professionnel de l’énergie solaire, cet article vous apportera des connaissances précieuses sur la manière de raccorder vos panneaux solaires au tableau électrique de manière optimale.
Comprendre le schéma de raccordement
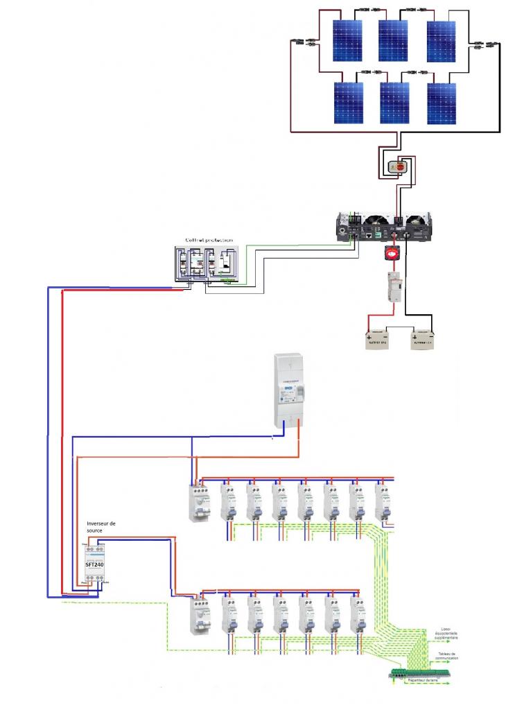
Les composants clés du système
Pour commencer, il est essentiel de définir les principaux composants d’un système solaire. Tous les éléments suivants interagissent dans un schéma de raccordement panneau solaire tableau électrique :
- Panneaux solaires : Ils convertissent la lumière du soleil en électricité photovoltaïque.
- Onduleur : Transforme le courant continu (DC) produit par les panneaux en courant alternatif (AC), qui est utilisé par les appareils ménagers.
- Tableau électrique : Distribue l’électricité sur plusieurs circuits et protège les installations grâce au disjoncteur.
- Batteries (facultatif) : Stockent l’électricité pour une utilisation ultérieure, notamment pendant les nuits ou les jours nuageux.
- Compteur d’énergie : Mesure la quantité d’énergie produite et/ou consommée.
Chacun de ces composants joue un rôle crucial dans le système, et leur interaction doit être soigneusement conçue pour assurer un fonctionnement harmonieux et efficace.
Le principe de fonctionnement
Le processus commence lorsque la lumière du soleil frappe les panneaux solaires, générant du courant continu. Ce courant est ensuite envoyé à l’onduleur, qui a pour tâche de le transformer en courant alternatif. L’électricité alternative est alors alimentée au tableau électrique, où elle est distribuée dans toute la maison et peut également être redirigée vers le réseau électrique grâce à un inverseur associé.
Il est important de noter que tout cela doit être effectué en respectant les normes et régulations en matière d’électricité, notamment en ce qui concerne les installations électriques en France. Ainsi, pour un raccordement sûr et conforme, il est souvent recommandé de faire appel à des professionnels qualifiés.
Installation et raccordement simplifié
Étapes de l’installation
Installer le système solaire nécessite de suivre un certain nombre d’étapes précises :
- Étude de faisabilité : Évaluer l’emplacement pour déterminer l’angle optimal des panneaux et vérifier l’irradiation solaire.
- Choix des équipements : Sélectionner des panneaux, onduleurs et tout autre équipement adéquat pour une installation adaptée à vos besoins.
- Installation des panneaux : Les panneaux doivent être fixés sous un angle optimal sur le toit ou sur un support au sol.
- Raccordement de l’onduleur : L’onduleur doit être branché correctement aux panneaux et au réseau électrique.
- Contrôle de la configuration : Avant la mise sous tension, vérifier tous les branchements pour garantir une installation sécurisée.
Chaque étape doit être réalisée en prenant soin d’observer les règles de sécurité et de prévention des risques d’électricité. Pour approfondir la partie dédiée à l’eau chaude, vous pouvez consulter ce lien.
Assurer la conformité
Il est crucial d’être en conformité avec les régulations en vigueur lors de l’installation de systèmes solaires. Les règles de l’électricité stipulent qu’un professionnel certifié doit intervenir pour des raccordements à haute tension. Cela inclut les raccordements à l’eau chaude par le biais de dispositifs comme un lave-linge et un lave-vaisselle. Un bon sous-traitant, tel que ceux mentionnés dans ce lien, saura vous accompagner dans cette démarche.
Si vous envisagez d’installer un système solaire, il est conseillé de se familiariser avec ces normes avant de procéder. Ce fait va au-delà du simple respect des codes ; il protège également les usagers et garantit un rendement maximal du système installé.
Raccordement au tableau électrique détaillé
Les différents types de raccordement
Il existe plusieurs moyens de raccorder les panneaux solaires au tableau électrique, selon le type de système ou d’installation :
- Raccordement en autoconsommation : Permet d’utiliser directement l’électricité produite par vos panneaux pour alimenter votre maison.
- Raccordement au réseau : L’énergie non consommée peut être renvoyée au réseau électrique, souvent en échange de crédits ou de paiements.
Pour le raccordement au tableau électrique, il est également nécessaire d’installer un compteur de production, qui suivra la quantité d’énergie que vos panneaux produisent. Un schéma de raccordement clair est indispensable pour assurer une compréhension de l’ensemble de l’architecture électrique, notamment à ceux qui interviendront par la suite, tels que les électriciens pour le raccordement à l’eau chaude.
Éléments à considérer
Lors du raccordement, plusieurs éléments doivent être pris en compte pour garantir une installation fiable et efficace. Les dimensions des câbles doivent être adaptées pour éviter toute surcharge. De plus, il est important de prévoir des protections telles que des disjoncteurs pour prévenir les coupures de courant intempestives, ainsi que des fusibles pour éviter les courts-circuits dans les installations associées, comme pour un lave-linge ou un lave-vaisselle.
Un suivi régulier du rendement de votre installation est également conseillé pour s’assurer que votre système fonctionne de manière optimale. N’oubliez pas que la technologie progresse rapidement, et rester informé des dernières innovations peut offrir des avantages supplémentaires en matière de sécurité et d’efficacité.
Maintenance et durabilité des systèmes solaires
Entretenir votre installation
Pour que votre système solaire continue à fonctionner à plein rendement, un entretien régulier est essentiel. Le nettoyage des panneaux solaires pour enlever la poussière et les débris peut améliorer leur efficacité de manière significative. Cela doit être effectué au moins une fois par an, ou plus souvent dans les environnements poussiéreux.
En plus du nettoyage, il est recommandé d’effectuer une inspection visuelle des composants, notamment des câbles et des connexions. Certains signes d’usure doivent alerter, comme la décoloration des câbles ou des fissures sur les panneaux. Les réparations immédiates de ces incidents sont essentielles pour assurer la sécurité et la performance de l’installation.
Surveiller les performances énergétiques
La surveillance des performances de votre installation est un moyen efficace de maximiser ses bénéfices. Des outils de monitoring permettent de suivre en temps réel la production d’énergie, vous aidant à identifier des anomalies éventuelles. Cela peut également aider à anticiper un maintenance préventive, comme le remplacement d’un onduleur vieillissant.
En cas de doute sur les performances, faire appel à un service de maintenance professionnel peut être une bonne solution. Un technicien qualifié pourra procéder à une évaluation détaillée de votre installation et proposer des améliorations adaptées.
Économie et rentabilité des panneaux solaires
Analyse des coûts
Le passage à l’énergie solaire représente un investissement initial, mais qui peut s’avérer très rentable à long terme. Le coût d’achat et d’installation des panneaux solaires a considérablement diminué au cours des dernières années, rendant cette option encore plus accessible. De plus, l’autoconsommation d’électricité réduit les factures pour les foyers et peut même générer du revenu via des contrats d’injection au réseau.
Pour plus de conseils pratiques sur les choix à faire pour des systèmes d’économie d’énergie, rendez-vous sur ce lien.
Incitations fiscales et aides
Il existe plusieurs aides et crédits d’impôts pour encourager les consommateurs à investir dans des installations solaires. En France, la prime à l’autoconsommation ou le crédit d’impôt pour la transition énergétique contribuent à alléger le coût initial. Renseignements sur ces dispositifs peuvent être obtenus auprès des caisses d’allocations familiales ou des organismes de services administratifs, et il est crucial de se tenir informé des changements apportés aux lois pour maximiser votre retour sur investissement.
Retour sur investissement potentiel
La durée de retour sur investissement d’un système solaire peut varier, mais en général, les gens constatent une réduction significative de leurs factures d’électricité dès les premières années. Avec une durée de vie des panneaux allant jusqu’à 25 ans, les économies cumulées peuvent être considérables. Ces chiffres, combinés aux aides financières disponibles, renforcent la rentabilité de l’énergie solaire.


Laisser un commentaire