sct-013 arduino
SCT-013 : Un Capteur Innovant pour Arduino
Les avancées technologiques nous ouvrent des perspectives passionnantes, en particulier dans le domaine de l’énergie. Le SCT-013 représente l’un des capteurs les plus prometteurs pour les projets Arduino. En intégrant ce capteur, vous pouvez surveiller la consommation électrique avec une précision étonnante. Cet article dévoile les subtilités de la mise en œuvre du SCT-013 avec Arduino, tout en explorant ses avantages dans le cadre de systèmes énergétiques intelligents.
Pour ceux qui s’intéressent au domaine de la mesure de la consommation énergétique, ce capteur est un outil incontournable. Grâce à ses capacités, il permet non seulement de collecter des données, mais aussi de les analyser en temps réel. Vous découvrirez comment tirer parti de cette technologie pour créer des systèmes domotiques, optimiser la consommation électrique ou même développer vos propres projets d’énergie renouvelable.
Les Fondamentaux du SCT-013
Présentation du Capteur
Le SCT-013 est un capteur de courant alternatif particulièrement apprécié pour ses mesures précises. Fonctionnant sur le principe de la transformation de courant, il est capable de fournir des données éclairantes sur la consommation d’énergie. De tels capteurs peuvent être connectés aisément à une carte Arduino, facilitant ainsi leur intégration dans divers projets.
En effet, le SCT-013 se caractérise par sa simplicité d’utilisation et son faible coût. Tout projet visant à séduire des utilisateurs désireux d’optimiser leur consommation se doit d’envisager l’utilisation de ce capteur. Non seulement il est performant, mais il est aussi adapté aux novices.
Caractéristiques Techniques
Le SCT-013 est équipé de plusieurs caractéristiques permettant un usage large :
- Méthode de mesure : mesure de courant AC, idéal pour des vérifications sur les appareils ménagers.
- Plage de mesure : jusqu’à 100A, ce qui le rend applicable à quasiment tous les types d’appareils électriques.
- Tension d’alimentation : nécessite généralement peu d’énergie, ce qui en fait un allié pour des projets à faible consommation.
Cette combinaison en fait un choix de premier ordre pour les amateurs d’électronique, mais aussi pour ceux qui sont soucieux d’optimiser leur utilisation d’énergie.
Installation et Configuration du SCT-013
Matériel Nécessaire
Pour commencer à travailler avec le SCT-013, plusieurs éléments sont nécessaires :
- Capteur SCT-013
- Carte Arduino
- Résistances : pour assurer le bon fonctionnement et la sécurité des mesures
- Logiciel de programmation tel qu’Arduino IDE pour coder
Équiper votre atelier de ces éléments vous permet de réaliser des projets diversifiés, allant de la simple mesure de l’énergie à des applications plus complexes.
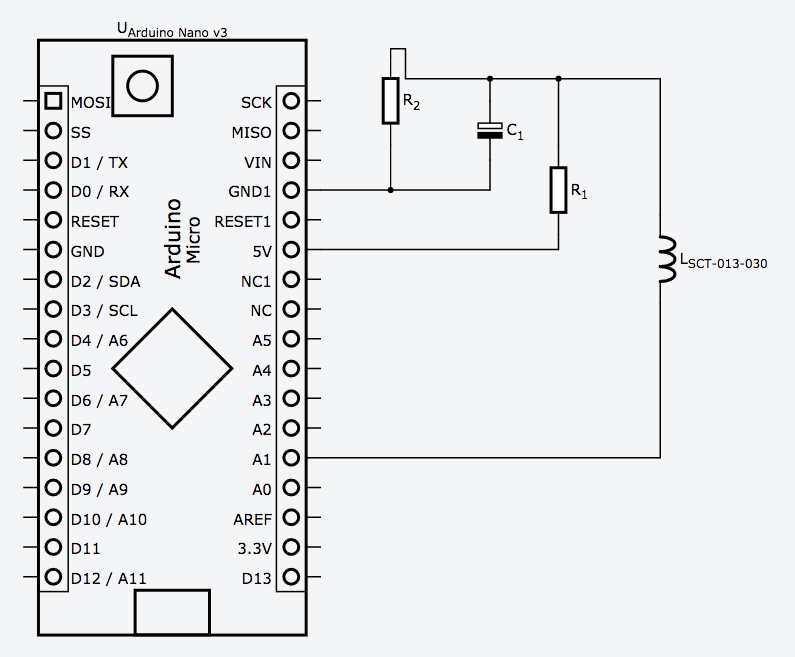
Raccordement du Capteur
Le raccordement nécessite de suivre certaines étapes précises. Pour ce faire, connectez le SCT-013 à l’Arduino en respectant les polarités. Utiliser des détecteurs et leur interface est essentiel pour garantir que les mesures soient précises et respectent les normes de sécurité. Les connexions basiques incluent :
- Le fil du capteur connecté à l’une des entrées analogiques de l’Arduino
- Veillez à ajouter une résistance pour gérer la puissance et assurer la protection des composants
Une fois les connexions réalisées, il faut se tourner vers la programmation afin de préparer l’Arduino à lire les données du capteur.
Écrire le Code pour le SCT-013
Une fois les connexions effectuées, la phase de codage s’avère cruciale. Le code doit permettre de récupérer et d’analyser les données mesurées. Voici un exemple simple qui illustre les bases :
#define SCT_PIN A0
void setup() {
Serial.begin(9600);
}
void loop() {
int valeur = analogRead(SCT_PIN);
Serial.println(valeur);
delay(1000);
}
Ce code de base sert à lire les valeurs analogiques du capteur et à les afficher dans le moniteur série d’Arduino. Il est possible d’étendre cette base pour implémenter des fonctionnalités avancées, telles que la mise en forme graphique des données ou le stockage sur une base de données externe pour une analyse ultérieure.
Applications Pratiques du SCT-013
Surveillance Énergétique
Une des applications les plus intéressantes du SCT-013 reste la surveillance énergétique. En installant le capteur sur le circuit d’alimentation d’un appareil, il est possible d’analyser sa consommation. Les utilisateurs peuvent ainsi avoir une vue d’ensemble sur leur consommation électrique et optimiser leur usage.
De nombreux foyers commencent à mettre en œuvre ces systèmes intelligents pour les appareils électroménagers. En récupérant les données, les utilisateurs peuvent déterminer quand ils utilisent le plus d’énergie et ajuster leurs habitudes pour réduire leur facture d’électricité. Des systèmes de notifications peuvent même être configurés pour avertir lorsqu’un seuil de consommation est atteint.
Domotique et Automatisation
Une autre utilisation pertinente du SCT-013 réside dans le secteur de la domotique. Intégrée dans des systèmes d’automatisation, cette technologie permet de contrôler les appareils à distance, offrant ainsi un confort inégalé. Grâce aux données de courant fournies par le capteur, il est possible de créer des scénarios intelligents qui optimisent la consommation d’énergie.
Par exemple, un système domotique peut être programmé pour éteindre certaines lumières lorsque aucun mouvement n’est détecté ou pour réduire l’alimentation d’un appareil pendant les heures creuses, lorsque le tarif électrique est plus avantageux. Ce type d’optimisation pour une gestion énergétique efficace devient de plus en plus populaire dans les maisons connectées.
Optimiser l’Utilisation du SCT-013
Ajustements et Améliorations
Pour maximiser l’efficacité du SCT-013, il est intéressant d’explorer diverses améliorations. Par exemple, l’étalonnage régulier du capteur garantit une précision optimale. En outre, il est possible de combiner plusieurs capteurs pour une analyse encore plus fine de la consommation énergétique dans une maison ou un bâtiment.
Des applications tierces, telles que les systèmes de gestion d’énergie, peuvent être intégrées pour mieux traiter et visualiser les données recueillies. Une plateforme comme Forum Photovoltaïque propose des ressources enrichissantes pour ceux qui cherchent à aller plus loin dans l’optimisation de leur usage de capteurs.
Interopérabilité et Intégration
L’interopérabilité est également un facteur important à considérer. La capacité du SCT-013 à fonctionner avec différents systèmes et protocoles permet une plus grande flexibilité. Pour les projets ambitieux, établir une communication entre plusieurs appareils peut conduire à une gestion optimisée des ressources.
Les systèmes basés sur le SCT-013 peuvent être intégrés à des plateformes de domotique comme Home Assistant ou Jeedom, permettant aux utilisateurs de centraliser leurs données et d’automatiser leurs consommations. De plus, vous pourriez envisager une solution IoT pour intégrer le capteur et partager ses données sur le cloud.
Le SCT-013 se révèle être un allié précieux pour tous ceux qui aspirent à une utilisation plus efficiente de l’énergie. Sa mise en œuvre avec Arduino ouvre d’innombrables possibilités, que ce soit pour améliorer la gestion énergétique dans un foyer, développer des projets innovants ou encore contribuer à des efforts plus larges vers la durabilité.
En se dirigeant vers un avenir où l’énergie renouvelable prend une place prépondérante, l’intégration de technologies comme le SCT-013 sera essentielle pour chaque individu engagé dans une démarche responsable.
Ressources et Liens Utiles
Pour approfondir vos connaissances sur le SCT-013 et l’énergie solaire, voici quelques liens pertinents : Robin Emley pour des projets liés, EmonLib pour des bibliothèques utiles, et Forum SCT-013 pour des discussions communautaires.



Laisser un commentaire