schéma électrique onduleur photovoltaïque
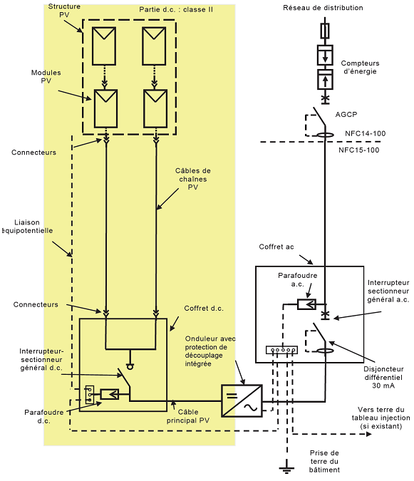
Ce texte explore le rôle essentiel des onduleurs photovoltaïques dans les systèmes solaires, en se…
Ce texte explore le rôle essentiel des onduleurs photovoltaïques dans les systèmes solaires, en se…
Dans le cadre de la transition énergétique, la compréhension des schémas électriques est essentielle pour…
Le monde de l'énergie solaire se développe à une vitesse fulgurante, et avec lui, les…
Dans le domaine de l'électricité, savoir shunter un relais est une compétence essentielle pour quiconque…
Le schéma électrique cta est un élément essentiel dans la conception et l'installation d'un circuit…
La transition vers les énergies renouvelables est en pleine expansion, et l'énergie solaire occupe une…
Un bornier électrique est un élément essentiel dans toute installation électrique, permettant de connecter plusieurs…
Naviguer dans le monde des installations photovoltaïques nécessite une compréhension approfondie des schémas électriques photovoltaïques.…
Comprendre et réaliser un schéma électrique pour le Consuel est une étape cruciale pour toute…
Le monde de l'énergie électrique évolue rapidement, et au cœur de cette transformation se trouve…