schéma câblage coffret dc photovoltaïque

découvrez notre guide détaillé sur le schéma de câblage photovoltaïque. apprenez à optimiser l'installation de vos panneaux solaires et à maximiser leur efficacité pour produire une énergie propre et renouvelable.

Comprendre le schéma câblage coffret DC photovoltaïque

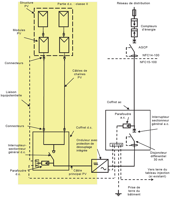
Le câblage photovoltaïque est une étape fondamentale dans l’installation d’un système solaire. Pour garantir un fonctionnement optimal des panneaux, il est crucial de bien comprendre le schéma câblage coffret DC photovoltaïque. Ce schéma permet de visualiser comment les différents éléments d’un système photovoltaïque sont reliés entre eux. Chaque composant joue un rôle spécifique dans la conversion de l’énergie solaire en électricité utilisable, et le câblage assure que cette énergie est acheminée de manière efficace.

Un bon câblage photovoltaïque implique des choix stratégiques concernant les matériaux, la disposition des fils, et la protection contre les surcharges ou les courts-circuits. Les erreurs dans ce domaine peuvent entraîner des pertes d’efficacité et même des risques d’incendie. Examiner le schéma du câblage est donc essentiel non seulement pour maximiser la production d’énergie mais aussi pour assurer la sécurité de l’installation. Un travail soigné depuis le départ peut faire une grande différence sur la durabilité et la rentabilité d’un projet solaire.

Les composants du câblage photovoltaïque

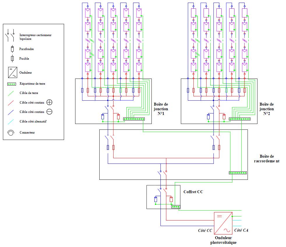
Un système photovoltaïque comprend plusieurs éléments cruciaux, chacun ayant un rôle bien défini dans le processus de conversion de l’énergie solaire en électricité. L’un des principaux composants est le coffret DC. Ce coffret abrite des dispositifs de protection, comme des disjoncteurs et des fusibles, qui interrompent le circuit en cas de problème.

Les panneaux solaires eux-mêmes sont également une partie essentielle du câblage. Ils génèrent un courant continu (DC) lorsqu’ils sont exposés à la lumière du soleil. Ce courant est ensuite dirigé vers le coffret DC, où il est ensuite transformé pour être utilisé dans des applications domestiques ou injecté dans le réseau électrique.

La qualité du câblage entre ces composants est primordiale. Un câblage de mauvaise qualité peut provoquer des pertes importantes d’énergie. Par conséquent, il est recommandé d’utiliser des câbles de qualité, correctement dimensionnés pour le courant à transporter. De plus, il est essentiel d’assurer une bonne isolation pour éviter les risques de court-circuit.

Éléments de sécurité

Les dispositifs de sécurité dans un système photovoltaïque ne doivent pas être négligés. Les disjoncteurs permettent de protéger les installations contre les surcharges électriques. De plus, la mise à la terre doit être correctement réalisée pour éviter tout risque d’électrocution.

Les différents types de câbles utilisés

Il existe divers types de câbles utilisés pour le câblage photovoltaïque. Les câbles en cuivre sont les plus courants en raison de leur conductivité élevée. Leur taille doit être choisie avec soin pour réduire les pertes d’énergie à travers le circuit. Des normes spécifiques doivent également être respectées pour garantir leur utilisation en extérieur.

découvrez notre guide complet sur le schéma de câblage photovoltaïque. apprenez à installer efficacement votre système solaire grâce à des illustrations claires et des explications détaillées. optimisez votre production d'énergie renouvelable et maximisez le rendement de vos panneaux solaires.

Importance d’un bon schéma de câblage

Un bon schéma de câblage est essentiel non seulement pour la performance, mais aussi pour la sécurité du système photovoltaïque. En appliquant un schéma câblage coffret DC photovoltaïque bien pensé, on garantit une circulation fluide de l’énergie produite. Cela permet une installation plus simple et plus efficace, facilitant les interventions d’entretien à long terme.

En cas de problème, un schéma clair aide à localiser rapidement l’origine d’une panne. Cela réduit considérablement le temps passé par les techniciens sur place et les risques associés à des recherches répétées dans un système mal documenté. Les installations correctement schématisées permettent aussi d’éviter les erreurs de connexion, ce qui est capital pour la sécurité de l’installation.

Exemple de schémas pratiques

À l’aide de diagrammes pratiques, on peut identifier facilement les différentes configurations possibles en fonction des besoins spécifiques d’un projet. Que ce soit pour une installation résidentielle, commerciale, ou industrielle, des schémas adaptés permettent de maximiser l’efficacité du système. Lors de la conception d’une installation, se baser sur des ressources fiables contribue à une meilleure compréhension technique des enjeux liés au câblage.

Installation et mise en route du câblage

Installer un système photovoltaïque implique plusieurs étapes cruciales, depuis le choix des panneaux jusqu’à la configuration du coffret DC. Avant même de commencer le câblage, il est important de s’assurer que tous les composants sont compatibles et adaptés aux spécificités du projet. En consultant les exigences et les recommandations des fabricants, il est possible d’éviter des problématiques de compatibilité.

Une fois cette étape validée, le câblage en lui-même doit se faire avec précaution. Les fils doivent être installés soigneusement, sans torsions ni angles aigus qui pourraient créer des points de tension. Il faut également veiller à respecter les éléments de sécurité, en plaçant des disjoncteurs à des endroits stratégiques et accessibles, pour permettre une coupure rapide en cas d’urgence.

Finalisation de l’installation

Après le câblage, il est essentiel de procéder à des tests de vérification. Ces tests permettent de s’assurer que le système fonctionne comme prévu et que tous les éléments sont correctement connectés. Les mesures de tension et de courant doivent être effectuées afin de détecter d’éventuels problèmes.

Entretien préventif

Enfin, un bon entretien du système est indispensable pour garantir sa durabilité. Il est recommandé de vérifier régulièrement l’état des câbles et des connexions. Tout signe de corrosion ou d’usure doit être traité rapidement pour éviter des dégradations plus graves sur le long terme. S’informer sur les pratiques d’entretien peut également contribuer à maximiser la performance.Des conseils pratiques existent pour chaque type d’installation.

découvrez notre guide complet sur le schéma de câblage photovoltaïque, incluant des conseils pratiques et des illustrations détaillées pour optimiser l'installation de vos panneaux solaires et maximiser leur efficacité.

Réglementations et normes relatives au câblage photovoltaïque

Le câblage photovoltaïque doit respecter des réglementations spécifiques, visant à garantir la sécurité des installations. Ces normes portent notamment sur la qualité des câbles, les méthodes d’installation et les dispositifs de sécurité à intégrer dans le système. Le non-respect de ces réglementations peut entraîner des conséquences juridiques et des problèmes de sécurité.

Les textes réglementaires évoluent régulièrement pour s’adapter aux nouvelles technologies et améliorer la sécurité des installations. Il est donc crucial de rester informé des actualités dans le domaine, notamment grâce à des plateformes comme le Forum Photovoltaïque, qui traite de manière approfondie ces sujets.

Certification et inspection des installations

La certification des systèmes photovoltaïques est un gage de qualité. Un système certifié garantit que toutes les normes ont été respectées, offrant une assurance aux utilisateurs. Des inspections régulières par des professionnels qualifiés peuvent également contribuer à maintenir la sécurité et l’efficacité d’une installation. Il est recommandé de faire appel à des experts pour effectuer ces vérifications, qui permettront de déceler d’éventuelles anomalies.

En matière de câblage photovoltaïque, il est essentiel de porter attention aux détails. La création d’un schéma câblage coffret DC photovoltaïque efficace est la clé d’une installation sûre et performante. En respectant les normes et en réalisant un entretien régulier, les utilisateurs peuvent s’assurer que leur système fonctionne à son maximum de capacité et de sécurité.

Laisser un commentaire

Vous avez peut-être manqué

Panneau Photovoltaique Solaire Pro 4.9 (98%) 25359 votes

Recevez votre devis gratuit pour installer des panneaux photovoltaïque

X