schéma unifilaire consuel
Schéma Unifilaire Consuel : Guide Complet
Comprendre le schéma unifilaire consuel est essentiel pour quiconque s’intéresse à la mise en place de systèmes photovoltaïques. Ces schémas constituent des documents indispensables pour la conformité avec les règlements en vigueur et intègrent des informations techniques cruciales.
Ce guide a pour objectif d’offrir un aperçu détaillé du schéma unifilaire consuel, des utilisations pratiques aux considérations réglementaires. En ayant accès à des exemples et des modèles, vous pourrez mieux appréhender ce document technique. De plus, des ressources utiles vous permettront de visualiser un schéma unifilaire photovoltaïque et d’autres formats pertinents.
Compréhension du Schéma Unifilaire
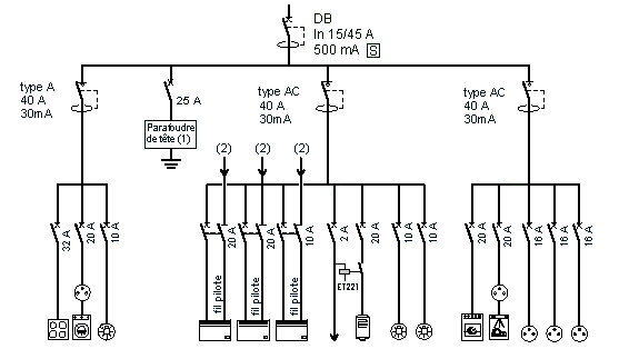
Le schéma unifilaire est un élément clé dans la conception des installations électriques. Son but est de simplifier la visualisation des circuits électriques, permettant une compréhension rapide et aisée des connexions. Il sert également à identifier les points de contrôle, les appareils, et autres composants essentiels du réseau électrique.
Les Éléments du Schéma Unifilaire
Dans un schéma unifilaire, différents éléments doivent être représentés. Cela peut inclure, sans s’y limiter :
- Les sources d’énergie (panneaux solaires, onduleurs)
- Les disjoncteurs et protections
- Les appareils électriques
- Les connexions entre les différents composants
Un schéma unifilaire bien réalisé permet non seulement de garantir la sécurité de l’installation mais aussi de faciliter l’entretien futur. En insérant des représentations graphiques claires, ce schéma devient un atout essentiel pour les professionnels lors de l’installation et de la vérification.
La Règlementation et les Normes
Les éléments du schéma unifilaire consuel doivent respecter des normes strictes dictées par la législation. Chaque installation photovoltaïque doit être conforme aux exigences techniques et de sécurité en vigueur. Le consuel, ou Conseil supérieur de l’énergie, est l’organisme responsable de la vérification de la conformité des installations.
Importance du Consuel
Le schéma unifilaire consuel est une exigence pour le raccordement au réseau électrique. Il garantit que l’installation respecte toutes les normes de sécurité et techniques. En cas d’audit ou de contrôle, il sert de document de référence pour prouver la conformité des travaux réalisés. L’absence d’un tel schéma pourrait conduire à des complications lors de la mise en service d’une installation électrique.
Documents Nécessaires pour le Consuel
Pour obtenir l’attestation du Consuel, plusieurs types de documents doivent être fournis :
- Le schéma unifilaire
- Les fiches techniques des équipements utilisés
- Le descriptif de l’installation
Ces éléments doivent être présentés de manière claire et organisée pour permettre une inspection rapide et efficace.
Création d’un Schéma Unifilaire
Réaliser un schéma unifilaire peut s’avérer complexe. Cependant, en suivant quelques étapes clés, cette tâche devient plus gérable :
Étape 1 : Analyse des Composants
Avant de commencer à dessiner, il est impératif de bien connaître tous les composants de l’installation. Cela inclut les panneaux photovoltaïques, les onduleurs, les batteries et tous les dispositifs de protection.
Étape 2 : Connexions Électriques
Une fois les composants identifiés, il est temps d’établir les connexions. Utiliser des symboles normalisés pour représenter chaque élément rendra le schéma plus compréhensible et accessible. Veillez à bien indiquer le sens du courant ainsi que les fils conducteurs.
Étape 3 : Utilisation d’un Logiciel de Dessin
À l’heure actuelle, plusieurs logiciels permettent de créer un schéma unifilaire de manière intuitive. L’utilisation d’outils tels que Dia, AutoCAD ou d’autres logiciels spécialisés simplifie cette tâche et produit un document professionnel. Vous pouvez également consulté ce lien pour un schéma unifilaire consuel gratuit.
Dépannage et Maintenance
Le maintien en bon état de l’installation nécessite un suivi régulier. Le schéma unifilaire consuel joue ici un rôle crucial en permettant d’identifier rapidement les points de défaillance et de réaliser des réparations efficaces.
Signalement des Anomalies
Lors de l’inspection de l’installation, toute anomalie doit être documentée et analysée à l’aide du schéma. Si un élément ne fonctionne pas correctement, ce document permettra de retracer les connexions et d’isoler le problème.
Visite d’Entretien Annuelle
Il est recommandé d’organiser une visite annuelle. Cela inclut une vérification minutieuse du système. Les techniciens sont capables, grâce au schéma unifilaire, de s’assurer que chaque composant fonctionne comme prévu, tout en se conformant aux réglementations en vigueur.
Améliorations et Mises à Jour
Au fil du temps, des mises à jour de l’installation peuvent être nécessaires, comme l’ajout de nouveaux panneaux ou d’autres dispositifs. Être capable de modifier le schéma unifilaire en conséquence est crucial pour la gestion efficace de l’installation.
Modèles de Schémas Unifilaires
Il peut être utile de se référer à des exemples pratiques de schémas unifilaires. Plusieurs sites proposent des modèles à télécharger, ce qui peut considérablement accélérer le processus de création. Ces ressources incluent :
Les Avantages d’un Modèle
Utiliser un modèle permet de s’assurer que toutes les normes sont respectées. De plus, cela facilite le processus de documentation et d’impression. En ayant déjà des éléments à disposition, il est plus facile de personnaliser et adapter le modèle à chaque installation.


Laisser un commentaire