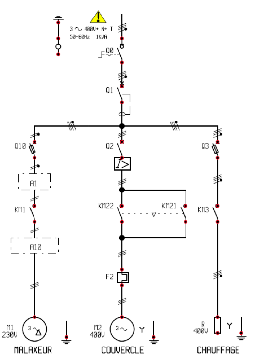
unifilaire
Dans le monde des installations électriques modernes, le schéma unifilaire occupe une place prépondérante. Utilisé…
Dans le monde des installations électriques modernes, le schéma unifilaire occupe une place prépondérante. Utilisé…
Dans un monde de plus en plus connecté, la sécurité de nos installations électriques devient…
Schéma Unifilaire Consuel : Guide Complet Comprendre le schéma unifilaire consuel est essentiel pour quiconque…
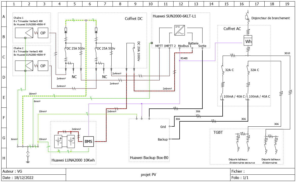
Dans le domaine des énergies renouvelables, les schémas unifilaires photovoltaïques jouent un rôle crucial. Ils…
Le schéma unifilaire Consuel est un élément essentiel dans le domaine de l'installation électrique. Il…
Le schéma unifilaire consuel joue un rôle essentiel dans la conception et la validation des…
Optimisez votre installation solaire avec un schéma unifilaire photovoltaïque La transition vers des sources d'énergie…
Le schéma unifilaire photovoltaïque est un outil essentiel pour toute personne cherchant à concevoir ou…
Schéma Unifilaire Photovoltaïque : Un Guide Complet Le monde des énergies renouvelables est en pleine…